1 Channel 100M Ethernet + 32 Channel Signal/Power Hybrid Slip Ring Suitable for Complex Electromechanical Integrated Equipment
| Feature | Appliccation |
| • Ethernet Connections: 100 BaseT Ethernet | • Automation equipment & robotics |
| • Contact Material: Gold-Gold | • Test & measurement equipment |
| • Housing Material: Aluminium Alloy | • Security & surveillance |
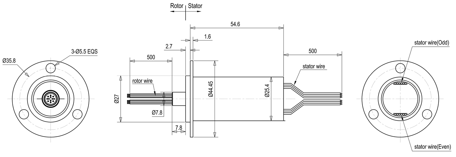
| • D x L(mm): 44.45 x 54.6 | • Medical equipment |

| Specification | |
| Total Rings | 36 |
| Circuit | 32 x Signal(2A); 1 x 100BaseT Ethernet |
| Voltage | 100VDC |
| Insulation Resistance | 50MΩ@500VDC |
| Electrical Noise | 40mΩ max |
| Dielectric Strength | 500VAC@50Hz |
| Operating Speed | 60rpm |
| Torque | ≤0.2N.m |
| Contact Material | Precious Metal |
| Housing Material | Aluminium Alloy |
| Working Temperature | -33℃~+75℃ |
| Storage Temperature | -40℃~+80℃ |
| Humidity | 95±3%(30℃+5℃) |
| Protection Level | IP54 |
| Lead Wire | AWG#26 Teflon Wire |