DCLV Electric V-Type Control Ball Valve
The DCLV type electronic V-type control and shut-off ball valve is composed of an electronic angular stroke actuator and a V-type shut-off ball valve. It can directly accept 4-20mA·DC (2-10V·DC) signals output by industrial control instruments or computers to control the valve opening. It features high precision (with a resolution of over 200 degrees), reliable operation, and low operating cost. The DCLV type electronic V-type ball valve has a novel structure, light weight, small volume, large adjustable ratio, large allowable pressure difference, large flow coefficient, reliable sealing, and a long service life. Meanwhile, it can output a 4-20mA·DC valve position feedback signal. There are two types of valve seats: soft seal and hard seal, which have good control characteristics among rotary control valves. It is suitable for controlling various gas and liquid media, especially for the control of media containing fibers, pulp, viscous substances, and small particles.
| Basic technical parameters | ||||||||||||||||
| Nominal diameter DN(mm) | 25 | 32 | 40 | 50 | 65 | 80 | 100 | 125 | 150 | 200 | 250 | 300 | 350 | 400 | ||
| valve seat diameter (mm) | 20 | 26 | 33 | 40 | 53 | 66 | 86 | 104 | 128 | 170 | 212 | 255 | 300 | 340 | ||
| rated flow coefficient Kv | 25 | 36 | 63 | 100 | 184 | 280 | 400 | 600 | 950 | 1540 | 2500 | 3900 | 6150 | 9800 | ||
| nominal pressure MPa | 1.6,4.0,6.4 | |||||||||||||||
| actuator | model | DCL-05 | DCL-10 | DCL-40 | DCL-60 | DCL-100 | ||||||||||
| output torque (N·m) | 50 | 100 | 400 | 600 | 1000 | |||||||||||
| input signal range | 4-20mA·DC(2-10V·DC) | |||||||||||||||
| full stroke time (S) | 15 | 15 | 30 | 60 | 60 | |||||||||||
| allowable pressure difference (MPa) | 1.6 | 1 | ||||||||||||||
| rated rotation angle | 90° | |||||||||||||||
| flow characteristic | Equal percentage | |||||||||||||||
| valve seat sealing type, operating temperature (℃) | soft seal | -20~+180℃ | ||||||||||||||
| hard seal | -40~+350℃ | |||||||||||||||
| allowable leakage class | soft seal | GB/T4213Ⅵ | ||||||||||||||
| hard seal | GB/T4213Ⅳ | |||||||||||||||
| turndown ratio (R) | 300∶1 | |||||||||||||||
| flange standard | JB/T79 | |||||||||||||||
| ambient temperature (℃) | -20~+60 | |||||||||||||||
| Materials of main components and applicable temperature ranges | ||
| valve body | ZG230-450 | -40~+450℃ |
| ZG1Cr18Ni9TiZG0Cr18Ni12Mo2Ti | -250~+550℃ | |
| valve stem | 2Cr131Cr18Ni9TiSUS316 | -250~+550℃ |
| valve core | SUS304316316L hard chrome plating | -250~+550℃ |
| valve seat | polytetrafluoroethylene (PTFE) + special stainless steel elastic plate | -10~+180℃ |
| special stainless steel elastic plate | -25~+350℃ | |
| SUS316+ST | -45~+450℃ | |
| packing | polytetrafluoroethylene (PTFE) | -40~+200℃ |
| flexible graphite | -200~+600℃ | |
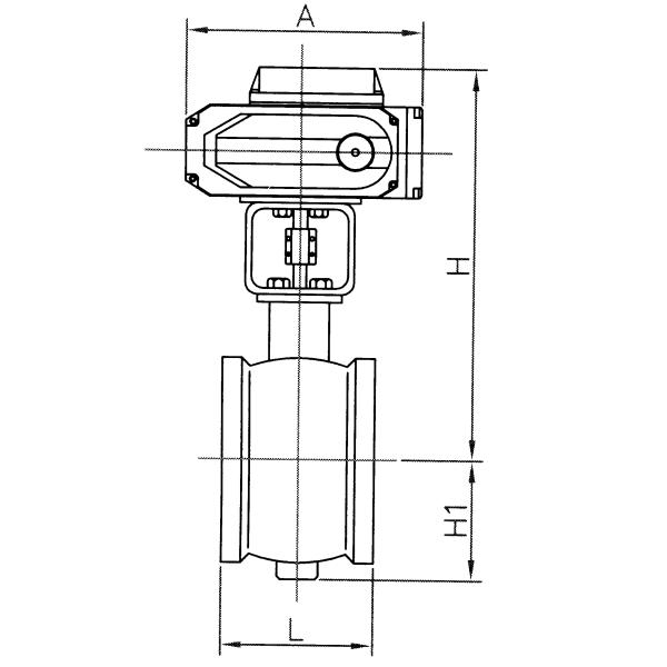
Overall dimensions

| nominal diameter DN | 25 | 32 | 40 | 50 | 65 | 80 | 100 | 125 | 150 | 200 | 250 | 300 | 350 | 400 | |
| Overall dimensions | A | 196 | 196 | 248 | |||||||||||
| H | 233 | 280 | 280 | 362 | 377 | 410 | 423 | 436 | 653 | 703 | 787 | 827 | |||
| H1 | 77 | 95 | 95 | 100 | 115 | 125 | 125 | 155 | 165 | 195 | 235 | 275 | 300 | 350 | |
| L | 102 | 114 | 114 | 124 | 145 | 165 | 194 | 213 | 229 | 243 | 297 | 380 | 410 | 450 | |
| Note: For DN less than 150, it is a wafer type; for DN greater than 200, it is a flange connection. Overall dimensions of PN16. | |||||||||||||||
| Ordering Information |