ZSSV Pneumatic V-Type Control Ball Valve
The pneumatic V-type control ball valve is one of the new types of rotary control valves developed by our company in recent years on the basis of absorbing and digesting domestic and foreign products. It is used in regulation or on-off control occasions. The scissor action between the ball core and the sealing seat ensures that the valve works without blockage. The straight-through flow channel has a large flow capacity and is suitable for gases, liquids, steam, fibrous slurries and media with tiny particle suspensions.
Structural Principle
The pneumatic V-type control ball valve is composed of a pneumatic piston actuator and a V-type ball valve. It can realize proportional regulation when equipped with a pneumatic valve positioner, and manual operation can be achieved if a handwheel mechanism is provided.
When the working air pressure enters the upper side (or lower side) of the cylinder of the piston actuator, it pushes the piston to move up and down, drives the connecting rod mechanism to rotate the rocker arm, and realizes the 90-degree rotation adjustment movement of the V-type ball core. The position changes from open or closed to closed or open, so as to control the medium in the pipeline.
| Main technical indicators |
| Nominal diameter DN(mm) | 25 | 40 | 50 | 80 | 100 | 150 | 200 | 250 | 300 |
| rated flow coefficient Kv | 25 | 63 | 100 | 280 | 400 | 950 | 1540 | 2500 | 3900 |
| nominal pressure PN(MPa) | 1.66.4 |
| operating temperature | -40~150℃ |
| rotation angle α | 90° |
| air supply operating pressure KPa | 400~600 |
| model of matched actuator | ZSS-1 | ZSS-2 | ZSS-3 |
| Notes on Installation and Use |
- There is no flange on the valve body, and the connection is clamped by two flanges on the pipeline. The distance between the two flanges shall comply with the IEC534-3 standard, and the flanges shall be selected in accordance with the JB/T79·2-94 Cast Steel Flanges standard.
- The V-type ball valve should be installed vertically in the pipeline. For the convenience of inspection, adjustment and maintenance, it should be installed as close to the ground or a floor slab as possible.
- A bypass pipeline should generally be provided when installing the V-type ball valve.
- Before installation, the pipeline should be cleaned. When cleaning the pipeline after installation, the valve should be in the fully open position.
- After long-term use of the V-type ball valve, if the sealing surface is slightly damaged, the sealing valve seat can be installed upside down and continue to be used.
|
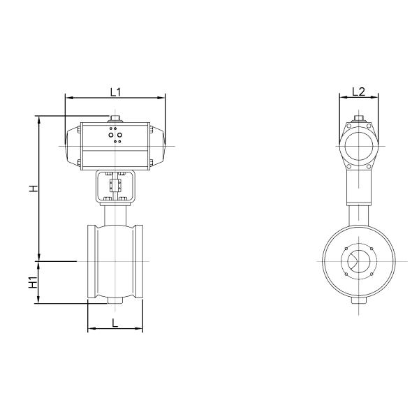
Overall dimensions

| Nominal diameter DN(mm) | 25 | 32 | 40 | 50 | 65 | 80 | 100 | 125 | 150 | 200 | 250 | 300 |
| H1 | 77 | 95 | 95 | 100 | 115 | 125 | 125 | 155 | 165 | 195 | 235 | 275 |
| H | double-acting | 319 | 325 | 347 | 362 | 372 | 420 | 430 | 460 | 573 | 593 | 710 | 765 |
| single-acting | 359 | 365 | 390 | 405 | 415 | 488 | 498 | 508 | 630 | 650 | 757 | 870 |
| L | 102 | 114 | 114 | 124 | 145 | 165 | 194 | 213 | 229 | 243 | 297 | 380 |
| L1 | double-acting | 132 | 132 | 203 | 203 | 203 | 222 | 222 | 300 | 337 | 380 | 420 | 450 |
| single-acting | 222 | 222 | 300 | 300 | 300 | 380 | 380 | 380 | 450 | 450 | 603 | 683 |
| L2 | double-acting | 83 | 83 | 100 | 100 | 100 | 120 | 120 | 137 | 172 | 172 | 224 | 224 |
| single-acting | 120 | 120 | 137 | 137 | 137 | 172 | 172 | 172 | 224 | 224 | 272 | 360 |
| weight(Kg) | double-acting | 7.2 | 8.5 | 11 | 12.8 | 15.3 | 17.8 | 20.5 | 25.6 | 46.4 | 69.6 | 121 | 181.8 |
| single-acting | 11.2 | 12.8 | 17.7 | 19.8 | 21.7 | 33 | 35.1 | 49.7 | 68.8 | 86.3 | 175 | 257 |
| Note: Overall dimensions of PN16 |
| Ordering Information |
- Product model
- Nominal diameter
- Nominal pressure
- Action type
- Operating temperature
- Material of valve body and valve core
- Accessories
|