Radar Slip Ring
Modern radar systems are widely needed in civil, military and defense fields. A high-performance rotary joint/slip ring is essential for the system’s transmission of RF signal, power, data and electrical signals. As a creative and innovative provider of 360° rotating transmission solutions, Panlink provide a variety of integrated solutions of electrical slip ring and coax/ waveguide rotary joint to civil and military radar clients.
Civil use radar slip rings usually require only 3 to 6 circuits to provide power and signals and need be cost-effective. But military use radar slip rings have more complicated requirements. They may need more than 200 circuits for power supply and various signals transmission in limited space, and more importantly, they need meet certain military environmental requirements: temperature, humidity, shock and vibration, thermal shock, altitude, dust/sand, salt fog and spray etc.
Both civil and military use radar electrical slip rings can be combined with single/ dual channels coaxial or waveguide rotary joints or combination of these two types. Cylindrical shape and platter shape with a hollow shaft to suit for vehicle-mounted radar system or radar pedestal available.
| Main Application | ![]() |
| • Weather radar and air traffic control radar | |
| • Military vehicle-mounted radar systems | |
| • Marine radar systems | |
| • TV broadcast systems | |
| • Fixed or mobile military radar systems |
| Feature |
| • Can integrated with 1 or 2 channels coax/waveguide rotary joint |
| • Transfer power, data, signal and RF signal through an integrated package |
| • A variety of existing solutions |
| • Cylindrical and platter shape optional |
| • Custom cutting edge military use solutions available |
| Model | Channels | Current(amps) | Voltage(VAC) | Bore(mm) | Size(mm) | Rpm | ||||
| Electrical | RF | 2 | 10 | 15 | OD | L | ||||
| PSR-T38-6FIN | 6 | 2 | 6 | 380 | 35.5 | 99 | 47.8 | 300 | ||
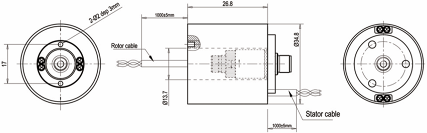
| PSR-LT13-6 | 6 | 1 | 6 | 220 | 13.5 | 34.8 | 26.8 | 100 | ||
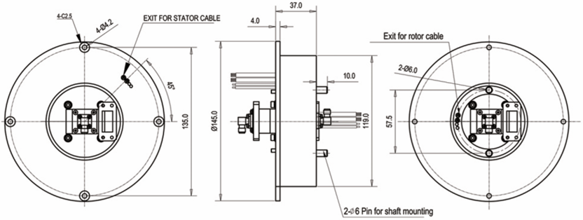
| PSR-LT70-6 | 6 | 1 RF + 1 Waveguide | 4 | 2 | 380 | 70 | 119 | 37 | 100 | |
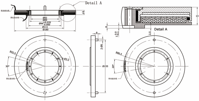
| PSR-P82-14 | 14 | 14 | 12 | 2 | 220 | 82 | 180 | 13 | 50 | |
| Remark: RF channels are optional, 1 channel RF rotary joint up to 18 GHz. Customized solutions available. | ||||||||||
| Specification | |
| Voltage Rating | 120VAC/ 240VAC/ 380VAC |
| Current Rating | 2A/ 10A/ 15A |
| Insulation Resistance | 500MΩ @ 500VDC |
| Electrical Noise | 20mΩ max |
| Dielectric Strength | 500VAC/ 50Hz/ 60s |
| Rotating Speed, Max | 100rpm/ 250rpm/ 300rpm |
| Torque During Rotation, Max | 0.01N.m |
| Working Temperature | -40℃ to +80℃(-40℉ to +176℉) |
| Storage Temperature | -45℃ to +85℃(-49℉ to +185℉) |
| Shock | MIL-STD-810G |
| Vibration | MIL-STD-810G |
| Relative Humidity | 95% |
PSR-T38-6FIN Dimensions

PSR-LT13-6 Dimensions

PSR-LT70-6 Dimensions

PSR-P82-14 Dimensions
