Specifications
Brand Name :
Jiayan
Model Number :
CHRO
Certification :
ISO9001:2008
Place of Origin :
Dongguan China
MOQ :
1 set
Price :
Negotiable
Payment Terms :
L/C, T/T, Western Union, PayPal
Supply Ability :
300 sets per week
Delivery Time :
7 days
Packaging Details :
poly bag and carton box
Material :
Carbon Steel or Stainless Steel
Power Fluid :
Filtered Oil
Max Operation Pressure :
21MPA
Min Operation Pressure :
1 Mpa
speed (mm/sec) :
8~500(mm/sec)
Range of temperature(°C ) :
-30~+100 (°C)
Warranty :
1 year
Description

21 mpa Round Hydraulic Cylinder Big Heavy Duty Oil Cylinder High Clamping Force

Heavy Duty Hydraulic Cylinder Applications:

1. Engineering machine machinery
2. Overweight transportation machinery
3. Mining machinery
4. Construction machinery, agricultural machinery
6. Metallurgical machinery
7. Light industrial machinery
8. Automotive industry
9. intelligent machinery

21Mpa Round Heavy Duty Hydraulic Cylinder High Clamping Force 1 Year Warranty

MO Part name QTY NO Part name QTY NO Part name QTY
1 Piston rod 1 7

Piston Seal

1 13

Front flange

1

2

Dustproof seal

1 8

End cover

1 14

Guidance tape

1
3

O Gasket

1 9

Oil seal for shaft

1 15

Cylinder tube

1
4

O Gasket support ring

1 10

Rod ladder seal

1 16

Lock screw

1
5

O Gasket

1 11

Socket Head cup screw

15 17
6

Piston

1 12

Rod Cover

1 18

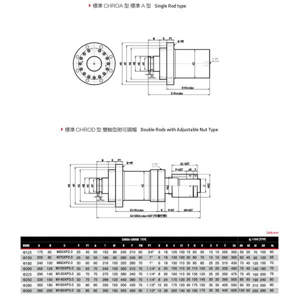
Specification:

Bores of Cylinder

Φ125

Φ150

Φ180

Φ200

Φ225

Φ250 Φ280 Φ300
Power Fluid Filtered Oil
Material of cylinder bareel Carbon steel STKM-13c/ tainless tubes SUS 304/AL Tube A6063TDS-T5
range of pressure(mpa)

1-21MPA(10-21kgCM2)

speed (mm/sec)

8~500(mm/sec)

temperature(°C )

-30~+100 (°C)

Length of standard piston(PM) 60 60 70 70 70 70 70 90

Piston length when the stroke is between 1501-2500 mm

120 120 140 140 140 140 140 150

Customized stroke is 2501-4000mm

200 200 200 200 200 200 200

Ordering Code

CHROA 125 / 60 * 100 Y + DM

1 2 3 4 5 6

1 Series

21Mpa Round Heavy Duty Hydraulic Cylinder High Clamping Force 1 Year Warranty

2 Bore of Cylinder

Φ125, Φ150, Φ180, Φ200, Φ225, Φ250, Φ280, Φ300

3 Rod

Standard Φ60 Φ80 Φ100 Φ125 Φ140 Φ160 Φ180 Φ200

Max Φ80 Φ100 Φ120 Φ140 Φ160 Φ200 Φ220 Φ250

4 Stroke

Steel barrel(Φ125-Φ300) Max:4m

5 Cylinder Body Accessories 21Mpa Round Heavy Duty Hydraulic Cylinder High Clamping Force 1 Year Warranty
6 DM

Blank: Standard DM: DM type

Remark : The sizes of the heavy duty hydraulic cylinder can be customized as customers' requirement.

21Mpa Round Heavy Duty Hydraulic Cylinder High Clamping Force 1 Year Warranty
Send your message to this supplier
Send Now

21Mpa Round Heavy Duty Hydraulic Cylinder High Clamping Force 1 Year Warranty

Ask Latest Price
Brand Name :
Jiayan
Model Number :
CHRO
Certification :
ISO9001:2008
Place of Origin :
Dongguan China
MOQ :
1 set
Price :
Negotiable
Contact Supplier
21Mpa Round Heavy Duty Hydraulic Cylinder High Clamping Force 1 Year Warranty
21Mpa Round Heavy Duty Hydraulic Cylinder High Clamping Force 1 Year Warranty

Dongguan Jiazheng Hydraulic Technology Co, LTD

Active Member
8 Years
guangdong, dongguan
Since 2009
Business Type :
Manufacturer
Total Annual :
5000000-6000000
Employee Number :
100~120
Certification Level :
Active Member
Contact Supplier
Submit Requirement