RI52 high temperature enamel resistor
1. Purpose and characteristics:
strong power load can work in low pressure and high temperature environment, used for aircraft parts.
2. Packaging:
coated with gray insulating paint
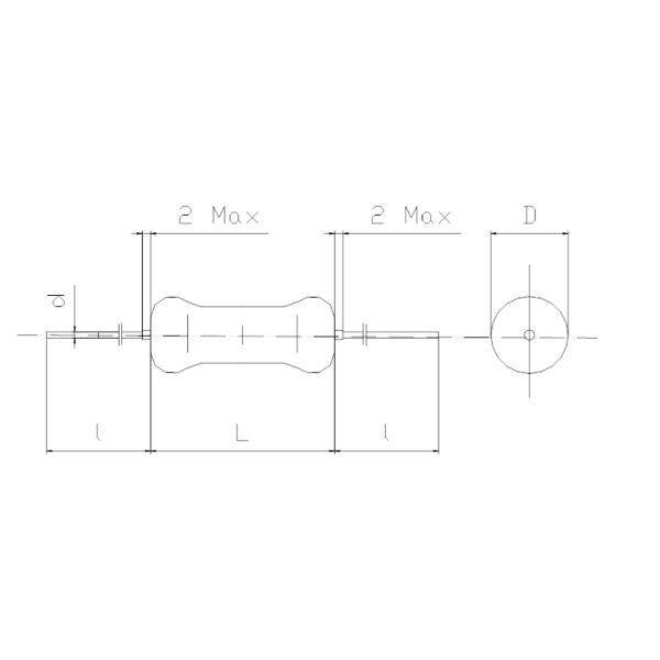
3. External size:

| Rated power (W) at 70℃ | maximum dimensions | l | d | |
| L | D | |||
| 3 | 16 | 6.5 | 28± 2 | 0.8±0.05 |
| 7 | 24.9 | 9.5 | 28± 2 | 1.0±0.05 |
4. Main technical indicators:
| 70℃ rated power consumption (W) | nominal candle-power (Ω) | Nominal resistance tolerance deviation (%) | Component limit voltage (DC or AC RMS) V | Resistance temperature characteristic ×10-6/℃ |
| 3 |
1kΩ~100MΩ
| ± 5 | 1200 | ± 350 |
| 7 |