RI80B high voltage glass enamel resistor
1. Purpose:
used for signal measurement and sampling in high voltage lines.
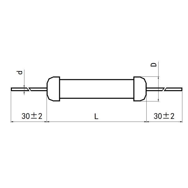
2. External size:

| power (W) | temperature coefficient | Resistance range (Ω) | Resistance tolerance | limit voltage AC, DC | Dmax (mm) | Lax (mm) | dmax (mm) |
| 5 | ±350 ppm/℃ | 1M—200M | ±5% ±10% | 15KV | Ø 12 | 45 | Ø 1.1 |
| 10 | 1M—500M | 30KV | 75 | Ø 1.1 | |||
| 20 | 1M—750M | 40KV | 105 | Ø 1.1 | |||
| 25 | 1M—1G | 50KV | 130 | Ø 1.1 | |||
| 30 | 1M—1G | 60KV | 147 | Ø 1.1 |