24kV, 25kV Silicone Rubber Polymer Suspension Insulator
This 25kV polymer suspension insulator is designed with tongue-type end fittings and a high-strength fiberglass core rated at 110kN. It is equipped with silicone rubber sheds—also known as silicone rubber insulators—providing excellent hydrophobicity and resistance to environmental stress, effectively reducing the risk of flashover.
Engineered for 25kV power distribution systems, this insulator ensures mechanical reliability and long-term stability. It complies with IEC 61109 standards and is manufactured under strict quality control. Custom designs are available based on your drawings and specifications to meet specific application needs.

25kV Polymer Suspension Insulator Technical Specifications (IEC 61109)

• Typical Line Voltage: 25 kV
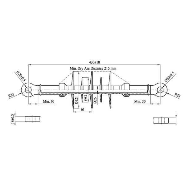
• Section Length: 430±10 mm
• Specified Mechanical Load (SML): 110 kN
• Routine Test Load (RTL): 55 kN
• Dry Arcing Distance: 215 mm
• Leakage Distance: 585 mm
• 1min. Power Frequency Withstand Voltage (Wet): 50 kV
• Lightning Impulse Withstand Voltage: 90 kV