Closed Loop 2 Phase Stepper Motor Nema11 28mm Flange With Ethercat Communication Bus EC42 Servo Stepper Driver
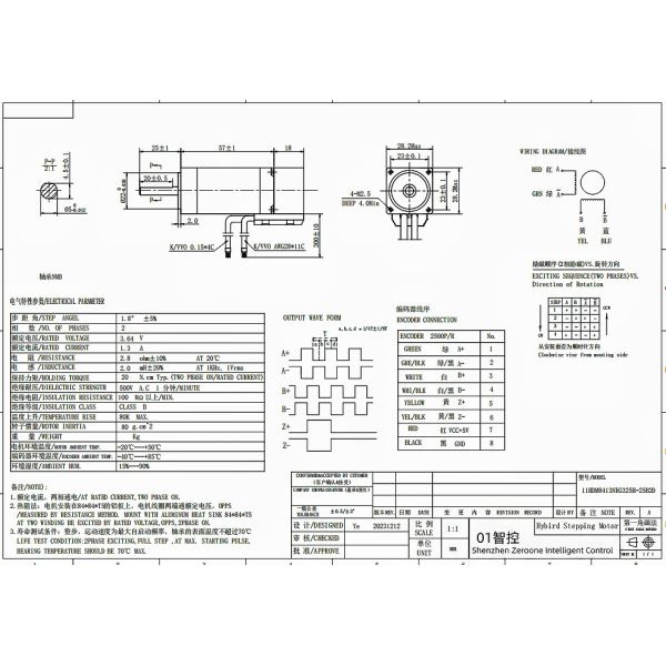
Stepper motor parameter:



Ethercat Stepper motor driver parameter:
I. Electrical, mechanical and environmental indicators
1. Electrical indicators
| Explain | EC42 | |||
| Least value | Representative value | Crest value | Unit | |
| Output current (peak) | 0.1 | - | 5.6 | A |
| Enter the power supply voltage (DC) | 15 | 24 | 80 | VDC |
| Control signal input current | 6 | 10 | 16 | mA |
| Control signal interface level | 4.5 | 5 | 28 | Vdc |
| Pull-up voltage for OC output | 5 | - | 24 | Vdc |
| Ether-CAT communication frequency |
- | 100 |
- | MHz |
| Insulation resistance | 100 |
|
| MΩ |
2. Usage environment and parameters
| Cooling-down method | Natural cooling or forced air cooling | |
|
Service nvironment |
Occasion | Do not put it beside other heating equipment, avoid dust, oil mist, corrosive gas, too much humidity and strong vibration, do not have flammable gas and conductive dust; |
| Temperature | -10℃ ~ +50℃ | |
| Humidity | 40 ~ 90%RH | |
| Vibrate | 5.9m/s2MAX | |
| Save temperature | -20℃ ~ 60℃ | |
| Altitude | Below 1000 meters | |
| Weight | Approx. 0.16KG | |
3. Mechanical installation drawings unit:mm


USB Type-C adapter for EC42 stepper driver:



