Integrating 100M Ethernet and 3-passage Air Rotary Joints with Dual Pressure/Vacuum Modes, Delivering Robust Connectivity for Robotics and CNC Automation Systems
100M Ethernet + Dual-Pressure Air
| Features | Applications |
| • Number of Passage(s): 3 | • Rotary 7th-Axis Robots |
| • Media Type(s): Gas/Air | • Rotary Indexing Tables |
| • Connection Size(s):G1/8”, M5 | • High-Speed Sorting Robots |
| • Max. Pressure(s): 1 Mpa; -70 kPa | • CNC Glass Processing Centers |
| • Ethernet Connection(s): 100BaseT | • Wafer/PCB Handling Robots |

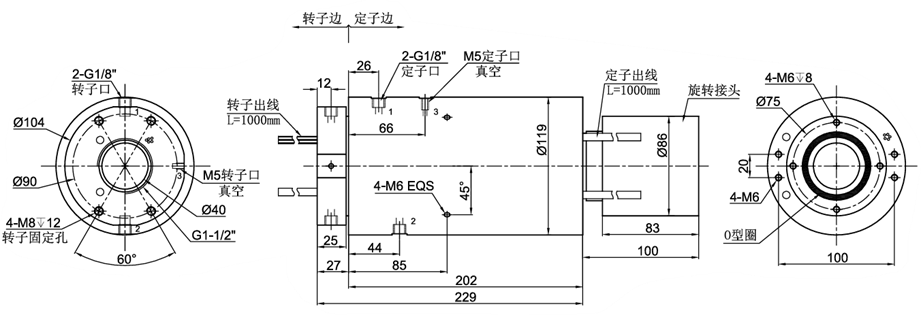
| Model | Passages | Size: OD x L inch (mm) | Connection Size | Max Pressure and Media | Speed (rpm) | Total Rings |
| PSR-T50-5P5S-E | 3 | 4.69″ x 9.02″ (119 x 229) | G1/8", M5 | 1 MPa Air / Nitrogen -70 kPa Vacuum | 250 | 15 |
| Specifications | |
| Passages | 1 MPa Air / Nitrogen (G1/8") -70 kPa Vacuum (M5) |
| Circuits | 5×power(10A); 5×signal(1A); 1 channel 100M Ethernet |
| Insulation Resistance | 500MΩ@500VDC |
| Electrical Noise | Max. 40mΩ |
| Dielectric Strength | 500VAC@50Hz,60s |
| Torque | Max. 15 N.m |
| Working Temperature | -22℉ to +176℉(-30℃ to +80℃) |
| Storage Temperature | -22℉~+185°F (-30℃~+85℃) |
| Relative Humidity | 95±3% |
| Protection Level | IP51 |
| Contact Material | Precious Metal |
| Housing Material | Aluminum Alloy |