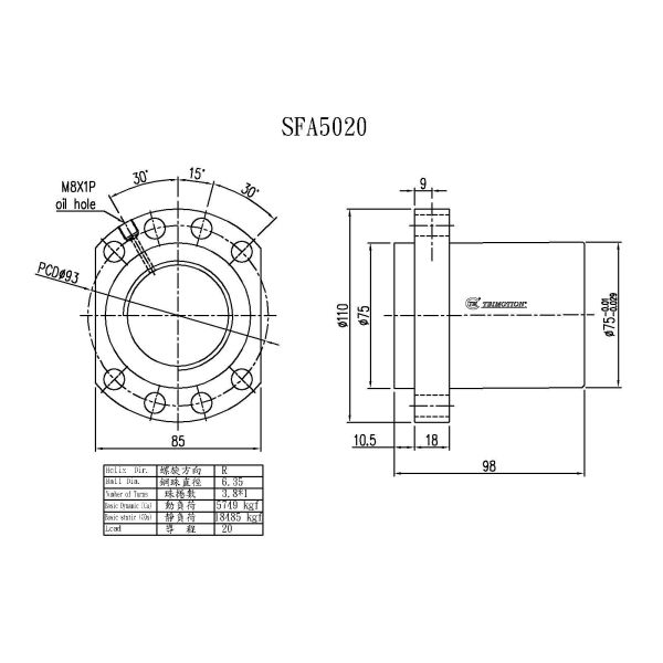
The TBI SFA5020 50mm Ball Screw delivers robust performance for hydraulic applications, combining precision motion control with the durability required for demanding fluid power systems. This heavy-duty ball screw assembly demonstrates TBI's expertise in creating components that withstand the challenging conditions of hydraulic machinery while maintaining precise linear motion. The screw's reinforced construction handles high thrust loads and variable pressures characteristic of hydraulic actuators, ensuring reliable operation in industrial presses, lifting equipment, and valve control systems. Precision-ground surfaces and optimized ball recirculation work together to provide smooth movement even under substantial loads, while specialized seals protect internal components from hydraulic fluid contamination. The thermal-stable design maintains consistent performance across temperature variations common in hydraulic applications, preventing positional drift during critical operations. Engineered for continuous duty cycles, the SFA5020 incorporates wear-resistant materials that extend service life in abrasive environments with minimal maintenance requirements. TBI's attention to vibration damping and noise reduction results in quiet operation that enhances overall system performance. From heavy industrial machinery to mobile hydraulic equipment, this ball screw provides the dependable motion control that keeps hydraulic systems operating at peak efficiency, backed by TBI's reputation for quality components that deliver long-term reliability in challenging operating conditions.




⑥Actual product photo




