Standardized production line production, stable and reliable quality.
| Measuring medium | Gas, liquid |
| Pressure type | Absolute pressure(A),Sealed pressure(S),Gauge pressure(G) |
| Measuring range | 0~1kPa,2kPa,5kPa,10kPa,20kPa,30kPa,40kPa,50kPa,100kPa,150kPa,200kPa,300kPa,400kPa,500kPa,700kPa,1MPa,1.5MPa,2MPa,3MPa,5MPa,6MPa, 7MPa,10MPa,15MPa,20MPa,30MPa,40MPa ,50MPa,60MPa |
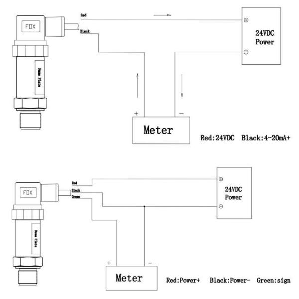
| Power supply | 12~36VDC |
| Output signal | 4~20mA,0~5VDC,1~5VDC,0~10VDC,0.5~4.5VDC |
| Accuracy | 0.2%FS,0.5%FS;1.0%FS |
| Temperature drift | ≤±0.015%FS/℃ |
| Long-term stability | ≤±0.2%FS/year |
| Ambient temperature | -30℃~+85℃ |
| Medium temperature | -40℃~+125℃ |
| Storage temperature | -40℃~+105℃ |
| Ingress protection | IP65 |
| Process connection | M20×1.5,M14×1.5,M12×1,G1/4,G1/2,1/4NPT or other on request |
| Over pressure | 150%FS |
| Damage pressure | 300%FS |
| Vibration resistance | 5~1000Hz |
| Shock resistance | 50g |
| Material | Stainless Steel 1Cr18Ni9Ti Stainless Steel 316 |


