1.A new product independently developed by digesting and absorbing foreign advanced technologies.
2.Small axial dimension, compact, lightweight and beautiful structure.
3.Direct installation, no need for installation accessories.
4.Oil-free (oil-lubricated is also available) lubrication, avoiding oil-gas pollution, and the oil mist lubricator can be omitted.
II. Graphical Symbols and Appearance
QGY (Standard Type)
QGY (D) (Front Spring Single-acting Standard Type)
QGYR (With Switch Type)
QGYR (D) (Front Spring Single-acting With Switch Type)

Main Technical Parameters of Cylinder
| Model | QGY,QGYR | QGY(D),QGYR(D) | ||||||||||||
| Cylinder Bore (mm) | 20,25,32,40,50,63,80,100, 125 | 20 | 25 | 32 | 40 | 50 | 63 | 80 | 100 | φ125 | ||||
| Proof Pressure (bar) | 15 | |||||||||||||
| Working Pressure (bar) | 1~10 | 2~10 | ||||||||||||
| Operating Temperature Range (℃) | -25 ~ +80 (under non-freezing conditions) | |||||||||||||
| Maximum Stroke (mm) | Φ20~Φ25:30; Φ32~Φ125:50 | Φ20~Φ25:30;Φ32~Φ40:35;Φ50~Φ100:40;φ125:50 | ||||||||||||
| Maximum Stroke (mm) | Purified dry compressed air | |||||||||||||
| Working Medium | Not required (oil-lubricated is also available) | |||||||||||||
| Spring for Maximum Stroke | Initial Reaction Force (N) | 14.5 | 22.8 | 32 | 51.8 | 72 | 83.2 | 115.5 | 128.7 | 488 | ||||
| Final Reaction Force (N) | 48.1 | 57 | 102 | 142.5 | 216 | 211.2 | 247.5 | 260.7 | 1442 | |||||
Model and Main Technical Parameters of Switch
| Code | Model | Applicable Bore | Operating Voltage Range | Operating Current Range | Maximum Contact Capacity | ||||||
| V | FD-72R | Φ20~Φ100 | 5~240V DC/AC | 100mA(max) | 10W | ||||||
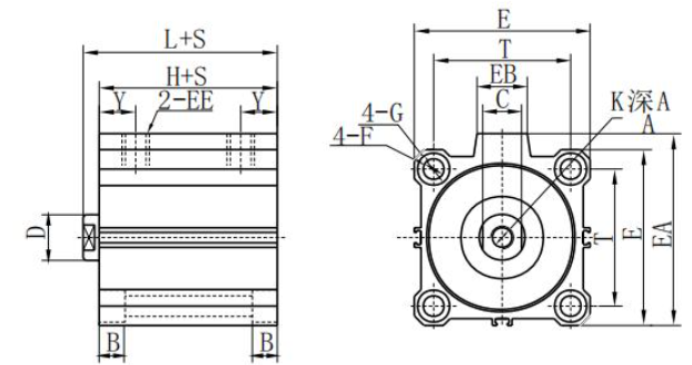
Outline Drawing of QGY Thin Cylinder

Bore Range: Φ20~Φ25

Bore Range: Φ32~Φ125
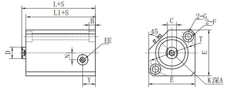
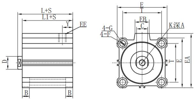
Outline Drawing of QGY (D) Front Spring Single-acting Thin Cylinder

Bore Range: Φ20~Φ25

Bore Range: Φ32~Φ125
