Specifications
Brand Name :
SPR-ing
Model Number :
SP018006
Place of Origin :
Shenzhen
MOQ :
1
Price :
200-800USD
Payment Terms :
L/C,T/T
Supply Ability :
1000/month
Delivery Time :
1 week
Packaging Details :
Carton
Rotating Speed :
0-3000 rpm
Design loop :
6
Dynamic Resistance Change :
≤10mΩ
Working Temperature :
-45℃ ~ 60℃
Maximum Current :
1A
Shell Material :
Stainless steel+alluminum alloy
Description

Multi-Circuit Slip Ring Electrical Rotary Joint - 6 Channels for 360° Rotating Systems

SP018006 Mini Electric Slip Ring

High-Speed Miniature Slip Ring with Reliable Gold-Gold Contact Technology

Our 6-channel slip ring enables continuous 360° rotation while transmitting multiple power and signal channels simultaneously. With low friction, gold-to-gold contacts, and IP51 sealing, it is suitable for applications that demand long-term reliability and high-speed rotation.

Applications: rotating displays, automated sensors, robotic joints.

Technical Specifications

Electrical Specifications

Design Loop 6
Insulation Resistance 250MΩ/250V/DC
Current 1A
Dielectric Strength >250VAC/50Hz/60s
Dynamic Resistance Change Value ≤10mΩ

Mechanical Specifications

Rated Speed 0-3000 rpm
Working Life ≥100h storage life: ≥12 years
Operating Temperature -45℃ ~ 60℃
Contact Material Gold-gold
Shell Material Stainless steel + aluminum alloy
Maximum Starting Torque 3m N.m
Weight <30g (not include wire)
IP Grade IP51

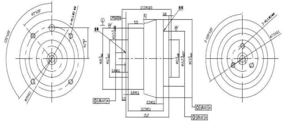
Outline Drawing

Multi-Circuit Slip Ring Electrical Rotary Joint 6 Channels for 360° Rotating Systems

Technical Advantages

  • Gold Metal Contact Technology: Advanced friction pair technology ensures ultra-long service life
  • Integrated Casting Process: Maintains concentricity between ring groove and bearing ≤ 0.01mm
  • Mirror Processing Technology: Achieves slip ring contact surface smoothness of Ra0.02 for reliable contact
  • Precision Component Manufacturing: Dimensional tolerance <0.01mm, axial displacement <0.01mm for high precision and stable performance
  • Advanced Brush Wire Modulation: Near-zero pressure brush design extends slip ring life by 1/3
  • High Speed Capability: Maximum speed of 8000 revolutions per minute (with cooling system)
  • Extended Lifespan: Maximum operational life of up to 100 million revolutions
Send your message to this supplier
Send Now

Multi-Circuit Slip Ring Electrical Rotary Joint 6 Channels for 360° Rotating Systems

Ask Latest Price
Brand Name :
SPR-ing
Model Number :
SP018006
Place of Origin :
Shenzhen
MOQ :
1
Price :
200-800USD
Payment Terms :
L/C,T/T
Contact Supplier
Multi-Circuit Slip Ring Electrical Rotary Joint 6 Channels for 360° Rotating Systems
Multi-Circuit Slip Ring Electrical Rotary Joint 6 Channels for 360° Rotating Systems
Multi-Circuit Slip Ring Electrical Rotary Joint 6 Channels for 360° Rotating Systems
Multi-Circuit Slip Ring Electrical Rotary Joint 6 Channels for 360° Rotating Systems
Multi-Circuit Slip Ring Electrical Rotary Joint 6 Channels for 360° Rotating Systems

Shenzhen SPRing Technology Co.,Ltd

Verified Supplier
1 Years
shenzhen
Since 2019
Business Type :
Manufacturer, Exporter, Trading Company
Total Annual :
10,000,000-50,000,000
Employee Number :
80~100
Certification Level :
Verified Supplier
Contact Supplier
Submit Requirement