Easy use series flush-mounted detectors PIR 360° Ceiling Mount Occupancy Sensor
1. Features
1) PIR motion detection
2) Accurate ON/OFF output
3) Support daylight priority and daylight threshold working mode
4) Support daylight learning function
5) Detection area, hold time, and daylight threshold can be set by remote control/ Potentiometer
6) Max detection range: 10-14m in diameter
7) Wiring the Push terminal to control the load manually
8) Support full-automatic mode or semi-automatic mode
9) Synchronize multiple sensors by wiring the S terminals in parallel
10) Support IQ mode
2. Parameters
| Input/Output | Input voltage | 100-240V AC |
| Rated voltage | 230V AC | |
| Power consumption | 20mA max | |
| Output signal | ≤0.5W @220V DC | |
| Working mode | ON/OFF | |
| Surge protection | 2KV(L/N,EN61000-4-5) | |
| Surge capacity | 30A (50% Ipeak, twidth =500us, 230Vac full load, cold start) | |
| Load capacity | 1200w resistive loading or 800w inductive loading | |
| Sensor parameter | Function | PIR motion detection+ daylight sensor |
| Detection Area | Rotate potentiometer or remote setting: 100%/75%/50%/25% | |
| Hold Time | Rotate potentiometer or remote setting :5s/30s/1min/3min/5min/10min/20min/30min | |
| Daylight Sensor | Rotate potentiometer or remote setting : 5Lux/15Lux/30Lux/50Lux/100Lux/ 150Lux/Disable | |
| Daylight learning | When the sensor enters the daylight threshold learning mode, it learns the current ambient lux value and uses it as the daylight threshold. (can only be set by remote) | |
| Daylight priority | Switch on value, Switch off value 50lux, 400lux 100lux, 500lux 150lux, 600lux 200lux, 700lux | |
| IQ mode | When the sensor enters IQ mode, the preset hold time will be override; hold time will start from 10s when sensor is triggered first time; trigger sensor 3 times within 10 seconds, hold time change to 20 seconds; trigger 6 times within 20 seconds, hold time change to 30 seconds; triggered 10 times within 30 seconds, hold time change to 1 minute; triggered 20 times within 1 minute, hold time change to 3 minutes; triggered 40 times within 3 minutes, hold time change to 5 minutes; triggered 80 times within 5 minutes, hold time change to 10 minutes; If cut off mains power and power on again, hold time will start from 10s. | |
| Pulse mode | When the sensor enters IQ mode, once human movement is detected, the load will be switched on for 2s, and the sensor function will be overridden for 8s | |
| Push function | Support, short-press to switch on/off the load manually | |
| Sync function | Multiple sensors can be grouped by parallel all SYNC terminals. All sensors in this group can receive the motion signal when any sensor is triggered. If no sensor is triggered in this group, the hold time will follow the last sensor that is triggered. | |
| Radius detection range(based on 100% sensitivity) | 5-6m in tangential based on 3m mounting height (please note detection radius will be shorter when moving in radial) | |
| Remote control | MH10 or MH18 are available | |
| Mounting height | 2.5-4m, typical value:3m | |
| Application environment | Drill hole | Φ65mm |
| Working temperature | -25℃...+50℃(detection range might differ based on different temperature ) | |
| Storage temperature | -40℃~+80℃ | |
| Certificate Standard | Certificate | Compliant with CE |
| Environmental requirements | Compliant with RoHS | |
| IP rating | IP20 | |
| “N/A” means not available | ||
3. Dimension& Function


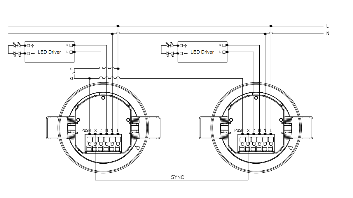
4. Wiring Diagram

Note:
1. LN is the AC input terminal, and L’N is the AC output terminal. Please ensure the wiring sequence is correct.
2. Single load requirements for a single sensor output: resistive loads should not exceed 1200W, and capacitive loads should not exceed 800W. When connecting multiple loads, surge values and total load must be considered. We recommend connecting an AC contactor or an AC solid-state relay to the sensor output terminal to prevent sensor damage from inrush current overload when a single sensor is connected to multiple loads.
3. Note that the S synchronization port must not be connected to the N line (neutral wire), otherwise the sensor will be burned out.

5. Initialization
When powered on, the sensor indicator will turn on for 35s, then turn off automatically. After initialization time, sensor parameters can be set via a potentiometer or a remote.
6. Factory Default Setting
Detection Area:100%, Hold Time: 2s, Daylight Sensor: Disable, Daylight Priority: Disable, LED Indicator: ON
7. Detection of radiation

8. Potentiometer Switch Setting:
Detection Area
| Gear | % |
| 1 | 25% |
| 2 | 50% |
| 3 | 75% |
| 4 | 100% |

Hold Time
| Gear | Hold time |
| 1 | Test 2s |
| 2 | 30s |
| 3 | 1min |
| 4 | 5min |
| 5 | 10min |
| 6 | 30min |
| 7 | Pulse mode |
| 8 | IQ Mode |

Daylight threshold
| Gear | Threshold value |
| 1 | 5lux |
| 2 | 15lux |
| 3 | 30lux |
| 4 | 50lux |
| 5 | 100lux |
| 6 | 150lux |
| 7 | Disable |

Daylight Priority
| Gear | On Off |
| 1 | 50lux 400lux |
| 2 | 100lux 500lux |
| 3 | 150lux 600lux |
| 4 | 200lux 700lux |
| 5 | Disable |

Full automatic and semi-automatic
*Press “Press button”, the sensor will work in full-automatic mode, the sensor will switch load on when motion is detected, and switch load off after hold time when no motion is detected.
Press this “Press button” again. When the button rebounds, the sensor works in semi-automatic mode. The sensor will not switch the load on when detecting motion only if the push button on the wall(see wiring diagram); the sensor will switch off the load after no motion is detected.

9. Remote Control MH10

10. Application Precautions
1. This infrared pyroelectric sensor should be installed by a professional electrician. Power should be disconnected before installation and wiring.
2. The optimal installation height for this infrared pyroelectric sensor is 3m. It should not be installed outdoors to avoid false triggering due to ambient temperature. It should not be installed in locations sensitive to temperature or airflow changes to prevent false triggering or overheating, leading to sensor failure.
3. The detection range of this infrared pyroelectric sensor should not be obstructed by screens, furniture, large potted plants, or other barriers.
4. There should be no reflective objects directly in front of this infrared pyroelectric sensor, as reflected light can cause false triggering.
5. This infrared pyroelectric sensor should be kept away from large electromagnetic radiation equipment, such as Wi-Fi routers, cameras, microwave ovens, etc. It is recommended to keep them at least 2 meters away to prevent electromagnetic interference.
6. The sensing distance of this infrared pyroelectric sensor may fluctuate depending on the installation height and ambient temperature compared to the typical value.
11. Disclaimer
Due to the complexity of product technology and differences in application environment, it is difficult to guarantee a completely accurate or complete description, so this specification is only for user reference.
We will reserve the right to make changes to the product specifications without notifying the user, and do not make any commitments and guarantees in the legal sense. At the same time, our company encourages users to supplement or modify the contents of our specifications after using our products.
For more information, please get in touch with our sales rep. for more details.