Low Voltage Current Transformer Indoor Single-Phase PC Material
1. Introduction
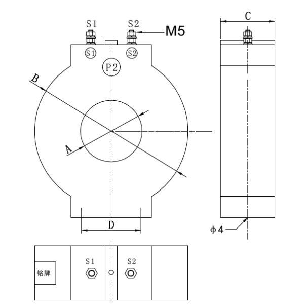
Current Transformer adopts high quality PC material, full-enclosed construction, round hole can pass busbar, be used for controlling, protection, measuring functions. P1,P2 primary terminals,S1,S2 secondary terminals P1&S1 same as P2,S2(subtractive polarity).
2. Technical Parameter
1) Rated Primary Current: 5-3000A; Rated Secondary Current: 5A, 1A
2). Rated voltage: AC 660V
3). Rated Frequency:50-60Hz
4). Ambient temperature:-30℃-+55℃.
5). Altitude:≤3000m
6). Power frequency withstand voltage(Cover and Secondary winding):3000V/1min,50Hz
3. Main Technical Parameters
| Measuring Current Transformer | ||||||||||||||||
| Model No. | Ratio | Accuracy Class | Burden | Dimension | A | B | C | D | ||||||||
| CYRM1A0030/5C03C | 30/5 (Np=3) | 1 | 3 | RM1A | 28 | 83 | 38 | 45 | ||||||||
| CYRM1A0060/5C03B | 60/5 (Np=2) | 1 | 3 | RM1A | 28 | 83 | 38 | 45 | ||||||||
| CYRM1A0100/5C03 | 100/5 | 1 | 3 | RM1A | 28 | 83 | 38 | 45 | ||||||||
| CYRM1A0150/5C03 | 150/5 | 1 | 3 | RM1A | 28 | 83 | 38 | 45 | ||||||||
| CYRM2A0200/5C05 | 200/5 | 1 | 5 | RM2A | 42 | 83 | 38 | 45 | ||||||||
| CYRM2A0250/5C05 | 250/5 | 1 | 5 | RM2A | 42 | 83 | 38 | 45 | ||||||||
| CYRM2A0300/5C05 | 300/5 | 1 | 5 | RM2A | 42 | 83 | 38 | 45 | ||||||||
| CYRM2A0400/5C05 | 400/5 | 1 | 5 | RM2A | 42 | 83 | 38 | 45 | ||||||||
| CYRM3A0500/5C05 | 500/5 | 1 | 5 | RM3A | 57 | 94 | 28 | 45 | ||||||||
| CYRM4A0600/5C05 | 600/5 | 1 | 5 | RM4A | 82 | 120 | 28 | 45 | ||||||||
| CYRM4A0800/5C10 | 800/5 | 1 | 10 | RM4A | 82 | 120 | 28 | 45 | ||||||||
| CYRM3A1000/5C10 | 1000/5 | 1 | 10 | RM3A | 57 | 94 | 28 | 45 | ||||||||
| CYRM3A1200/5C10 | 1200/5 | 1 | 10 | RM3A | 57 | 94 | 28 | 45 | ||||||||
| CYRM4A1600/5C15 | 1600/5 | 1 | 15 | RM4A | 82 | 120 | 28 | 45 | ||||||||
| CYRM5A2000/5C15 | 2000/5 | 1 | 15 | RM5A | 114 | 153 | 28 | 45 | ||||||||
| CYRM5A2500/5C15 | 2500/5 | 1 | 15 | RM5A | 114 | 153 | 28 | 45 | ||||||||
| CYRM5A3000/5C15 | 3000/5 | 1 | 15 | RM5A | 114 | 153 | 28 | 45 | ||||||||
| CYRM6A4000/5C15 | 4000/5 | 1 | 15 | RM6A | 138 | 175 | 38 | 45 | ||||||||
| Model No. | Ratio | Accuracy Class | Burden | Dimension | A | B | C | D | ||||||||
| CYRP1B0100/5J03 | 100/5 | 5P20 | 3 | RP1B | 34 | 150 | 63 | 45 | ||||||||
| CYRP1B0150/5J05 | 150/5 | 5P20 | 5 | RP1B | 34 | 150 | 63 | 45 | ||||||||
| CYRP2B0200/5J05 | 200/5 | 5P20 | 5 | RP2B | 42 | 150 | 63 | 45 | ||||||||
| CYRP2B0250/5J05 | 250/5 | 5P20 | 5 | RP2B | 42 | 150 | 63 | 45 | ||||||||
| CYRP2B0300/5J05 | 300/5 | 5P20 | 5 | RP2B | 42 | 150 | 63 | 45 | ||||||||
| CYRP2B0400/5J10 | 400/5 | 5P20 | 10 | RP2B | 42 | 150 | 63 | 45 | ||||||||
| CYRP3B0500/5J10 | 500/5 | 5P20 | 10 | RP3B | 57 | 156 | 58 | 45 | ||||||||
| CYRP4B0600/5J07 | 600/5 | 5P20 | 7.5 | RP4B | 82 | 173 | 44 | 45 | ||||||||
| CYRP4B0800/5J07 | 800/5 | 5P20 | 7.5 | RP4B | 82 | 173 | 44 | 45 | ||||||||
| CYRP3B1000/5J10 | 1000/5 | 5P20 | 10 | RP3B | 57 | 156 | 58 | 45 | ||||||||
| CYRP3B1200/5J15 | 1200/5 | 5P20 | 15 | RP3B | 57 | 156 | 58 | 45 | ||||||||
| CYRP4B1600/5J15 | 1600/5 | 5P20 | 15 | RP4B | 82 | 173 | 44 | 45 | ||||||||
| CYRP5B2000/5J15 | 2000/5 | 5P20 | 15 | RP5B | 114 | 196 | 44 | 45 | ||||||||
| CYRP5B2250/5J15 | 2250/5 | 5P20 | 15 | RP5B | 114 | 196 | 44 | 45 | ||||||||
| CYRP5B2500/5J15 | 2500/5 | 5P20 | 15 | RP5B | 114 | 196 | 44 | 45 | ||||||||
| CYRP5B3000/5J15 | 3000/5 | 5P20 | 15 | RP5B | 114 | 196 | 44 | 45 | ||||||||
4. Dimension:
