Outdoor Current Transformer LMZW3-0.72 Epoxy Resin AC 5A /1A
1. Introduction:
The current transformer is busbar type casting insulated outdoor type product. It is used for measuring current, electricity power and relay protection in the AC line or rated frequency 50Hz or 60Hz, rated voltage 600V and below.
The current transformer can be executed according to the standard IEC 61869-1:2007 and IEC 61869-2:2012. Or IEC60044-1
Technical Data
Rated insulation level: 0.72/3/10kV
Rated primary current: up to 1500A
Rated secondary current: 5A or 1A
Installation Altitude : 2000m
| Model | Rated primary current(A) | Window size (mm) | Rated output(A) | Accuracy Class |
| LMZW4-0.72 | 200 | Φ75 | 5 | 0.5 |
| 300 | Φ75 | 5 | 0.5 | |
| 400 | Φ75 | 5 | 0.5 | |
| 500 | Φ75 | 5 | 0.5 | |
| 600 | Φ75 | 5 | 0.5 |
| Model | Rated primary current(A) | Window size (mm) | Rated output(A) | Accuracy Class |
| LMZW5-0.72 | 400 | Φ100 | 5 | 0.5 |
| 500 | Φ100 | 5 | 0.5 | |
| 600 | Φ100 | 5 | 0.5 | |
| 800 | Φ100 | 5 | 0.5 | |
| 1000 | Φ100 | 5 | 0.5 | |
| 1200 | Φ100 | 5 | 0.5 | |
| 1500 | Φ100 | 5 | 0.5 |
Note: double ratio optional
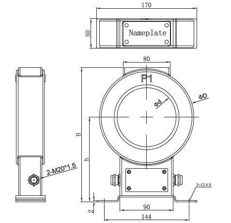
4. Outline Drawing:
