Ring Main LV Current Transformer Unit C-GIS Three-Phrase Bushing CT
1. Product Introduction:
The three-phrase CT is Full-enclosed in the flame retardant plastic shells, primary bushing or cable can pass through the inner hole, the bottom has installation inserts for fixation. It is simple and shortcut, is suitable for measuring current, signal collection and protective relaying in the medium voltage power system of bushing or cable etc.
2. Technical Date:
Rated secondary current: 5A,1A
Power frequency withstand voltage: 3kV.
Rated frequency: 50/60Hz
Installation site: indoor
Standards: IEC60044-1.2003
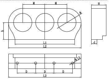
3. Outline Drawing:

4. Photos

