1195 m³/h , 3kW Mechanical Booster Pump, Roots Pump BSJ300LC ,Army green colour
Description :
Roots vacuum pumps, which are also called Roots blowers, are rotary plunger-type pumps where two symmetrically shaped impellers rotate in opposite directions inside the pump housing.
Characteristics:
- The use of an oil-free intermediate seal , a multiple-sealed ways ensures a high clean vacuum environment in the rotor chamber.
- Advanced processing ensures a good geometrical symmetry of the rotors, as well as low noise and long service life.
- A special shaft seal is used to achieve long, stable running without oil leakage.
- The BSJ-L series is made of all-aluminum alloy, a heat sink, corrosion-resistant, and efficient, energy-saving.
- The BSJ-LC series is made of cast iron. The unique liquid coupling method enables the pump to start directly under the atmosphere, which greatly reduces the time of pumping.
- Compact structure, light weight, and small volume.
Technical Parameter :
| Model | Units | BSJ300LC |
| Pumping Rate | 50 Hz | m³h-1 / Lmin-1 | 1195/19957 |
| 60 Hz | 1435/23965 |
| Max Inlet Pressure | 50Hz | Pa | 1.0x103 |
| 60Hz | Pa | 1.0x103 |
| Max allowed differential pressure | 50Hz | Pa | 9.0*103 |
| 60Hz | Pa | 7.5*103 |
Ultimate Vacuum | Pa/ mbar | 0.4/4×10-3 |
| Motor Power | kW(hp) | 3 (4.5) |
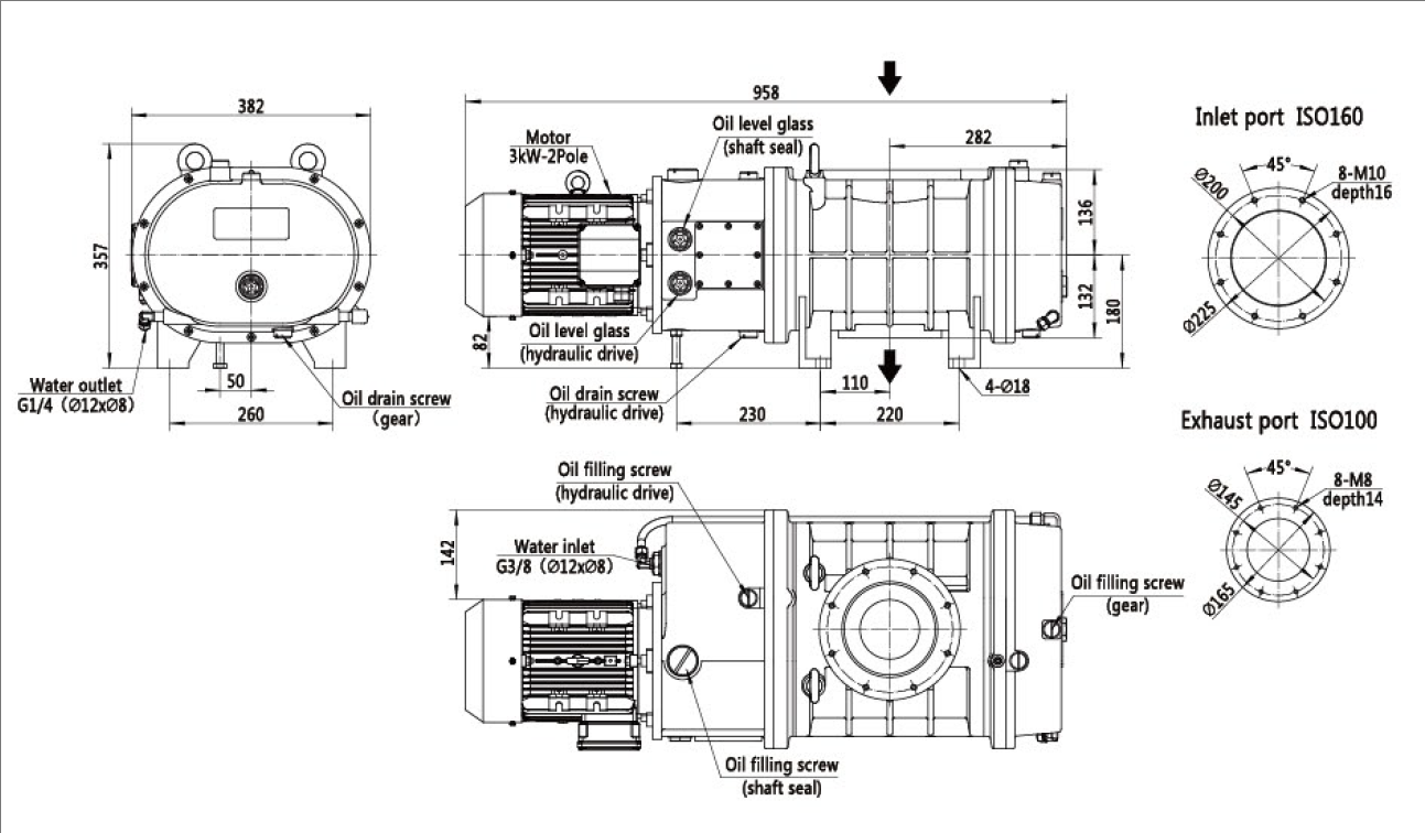
| Inlet | -- | ISO160 |
| Outlet | -- | ISO100 |
| Cooling Method | Water cooled |
| Gear cover | L | 1.5 |
| Hydraulic Drive | L | 2.5 |
| Ambient Temp. | ℃ | 5~35 |
| Oil | -- | BSO-46 |
Note: The value of 'Ultimate Pressure' in this sheet is measured by the Pirani gauge when Baosi special pump oil is used, and the value should be 4x10-3 if the McLeod gauge is used.
The cooling water temperature of the inlet port must be 5~30℃. When the temperature is too low, please keep it in an environment that is not easy to condensation.
Performance Curve:

Dimensions:


Applications
- Semiconductor Fabrication
- LED & Display Manufacturing
- Vacuum Heat Treatment
- Physical Vapor Deposition (PVD)
- Vacuum Distillation & Drying
- Food Preservation & Processing
- Vacuum Packaging
- Scientific Research
Key Roles in Compound Vacuum Systems
- As a Booster Pump
When paired with a backing pump (e.g., a rotary vane pump or a screw pump), the roots pump acts as a "booster" to bridge the gap between the backing pump's capacity and the system's required vacuum performance. For example:- The backing pump handles the low vacuum range (high pressure), while the roots pump takes over in the medium to high vacuum range, reducing overall evacuation time.
- This combination enables systems to reach higher vacuum degrees (e.g., 10⁻³ Pa) more efficiently than single pumps.
- Energy Savings & Efficiency Enhancement
By 分担 (sharing) the pumping load, roots pumps reduce the workload on backing pumps, extending their lifespan and lowering energy consumption. For instance, in large vacuum chambers, a roots pump can quickly remove most gases, while the backing pump focuses on achieving the ultimate vacuum.