DRV16 60m3/h Two-Stage Oil Sealed Rotary Vane Vacuum Pump
Our wide range of oil-sealed vacuum pumps is designed to suit the requirements of customers carefully looking to process results.
Features&Benefits
*The use of a non-spring rotary vane to achieve low noise, low vibration, and long service life.
*A built-in oil check valve is used to avoid the oil return phenomenon.
*A built-in forced feed oil pump is used to ensure the long-term continuous operation of the pump at atmospheric pressure.
*The use of air cooling, oil cooling, water cooling,g and other cooling methods to ensure a good cooling effect, and make the long-term stable running of the pump as well as the stable pumping performance.
*Reasonable structure has the advantages of easy assembly and disassembly, as well as fast and easy maintenance.
When the ambient temperature range is under 40℃, the air inlet pressure is less than 1300Pa, it allows long-term continuous operation. However, when the pumped gas relative humidity is above 90%, it should open the gas ballast valve.
Technical Data
| Units | DRV16 | ||
| Pumping Rate | 50 Hz | m³h-1 / Lmin-1 | 14.4/240 |
| 60 Hz | 17.4/290 | ||
| Ultimate Vacuum | Gas ballast closed | Pa/ mbar | ≤0.5/5×10-3 |
| Gas ballast opened | ≤5/5×10-2 | ||
| Inlet | KF25/KF16 | ||
| Outlet | KF25 | ||
| Oil Needs | Liter | 1.2 | |
| Weight | kgs | 27 | |
Performance Curve

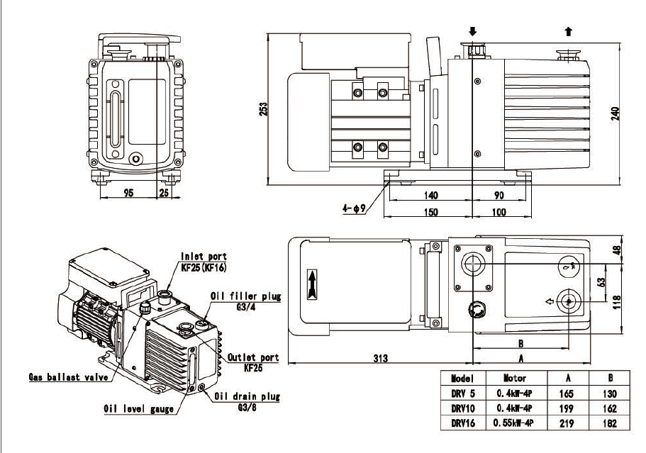
Dimensions

Application
Thin film coating
Freeze drying
Mass Spectrometry.
Electron Microscopy
Food Industry
Laboratory Equipment