BSV60 60m3/h Double Stage Oil Sealed Rotary Vane Vacuum Pump
When the ambient temperature range is under 40℃, the air inlet pressure is less than 1300Pa, it's allowed long-term continuous operation. However, when pumped gas relative humidity is above 90%, it should open the gas ballast valve.
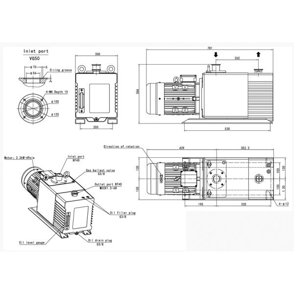
Technical Data
| Units | BSV60 | ||
| Pumping Rate | 50 Hz | m³h-1 / Lmin-1 | 60/1000 |
| 60 Hz | 72/1200 | ||
| Ultimate Vacuum | Without gas ballast | Pa/ mbar | 0.5/5×10-3 |
| With gas ballast | 2/2×10-2 | ||
| Inlet | VG50 | ||
| Outlet | KF40 | ||
| Oil Needs | litre | 2.5~4.2 | |
| Noise Level | dB | 65 | |
Performance Curve

Dimensions
BSV60[90]

Application
Vacuum metallurgy
Thin film coating
Freeze drying
Home Appliance
Optical Coating