Lug Butterfly Valve with Electric Actuator ,PN10 / PN 16, Cast Iron
PRODUCT INTRODUCTION
Description
This product is one novelty butterfly valve, which is designed by company professional designer after marketing investigation with decades years manufacturing and applying experiences, meanwhile abstracting homely & overseas elites. It has the attaching international structure and connecting size, which is not only suitable for domestic market, but also customs for many international countries market and gets good appraisal of wide customers.
Features:
Specification
| Size | DN40 - DN1400 |
| Design Standard | API 609 |
| End flange | EN1092 ,ANSI 125/150# ,DIN2501 |
| Face to face | EN 558-1, BS5155 , ISO 5752 |
| Top flange | ISO 5211 |
| Body | Ductile iron,Stainless steel,WCB |
| Disc | Ductile iron,CF8,CF8M,C95400 |
| Stem | 416,420,431,316 |
| Seat | NBR,EPDM |
| Suitale medium | Sewage, Sea water, Air, Foodstuff and Oil |
ACTUATOR SPECIFICATIONS
| Enclosure | Weatherproof Enclosure IP67 | Travel Angle | 90o ± 5o |
| Power Supply | 110V - 250V AC 50/60Hz / 24V AC 50/60Hz / 24VDC | Casing Material | Aluminium Alloy, Dry Power Polyester Coated |
| Indicator | Dome Type Mechanical | Terminal Block | Push Button |
| Limit Switches | 2 x Open / 2 x Close, SPDT, 250V AC | Ambient Temperature | -20 to 60oC |
| Space Heater | 110/220V AC Anti-condensation | Mechanism | Scotch-Yoke (Spur Gear Type) |
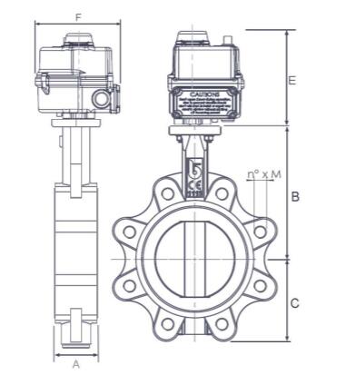
Butterfly Valve Drawing and Datasheet

| SIZE | DN25 | DN32 | DN40 | DN50 | DN65 | DN80 | DN100 | DN125 | DN150 | DN200 DN250 DN300 |
| A | 33 | 33 | 33 | 43 | 46 | 46 | 52 | 56 | 56 | 60 68 78 |
| B | 104 | 110 | 116 | 126 | 136 | 150 | 170 | 180 | 200 | 230 266 292 |
| C | 51 | 56 | 63 | 62 | 69 | 90 | 106 | 119 | 131 | 166 202 235 |
| PCD | 85 | 100 | 110 | 125 | 145 | 160 | 180 | 210 | 240 | 295 355 410 |
| n° x M | 4 x M12 | 4 x M16 | 4 x M16 | 4 x M16 | 4 x M16 | 8 x M16 | 8 x M16 | 8 x M16 | 8 x M20 | 12 x M20 12 x M24 12 x M24 |
| E* | 125 | 125 | 125 | 125 | 125 | 125 | 125 | 133 | 190 | 209 209 209 |
| F | 124 | 124 | 124 | 124 | 124 | 124 | 124 | 164 | 157 | 182 182 182 |
| Operation Time 90o 50/60hz Sec. | 13 | 13 | 13 | 13 | 13 | 13 | 13 | 22/18 | 28/23 | 40/33 40/33 40/33 |
| Weight Kg | 3.9 | 3.9 | 3.6 | 4.5 | 5.4 | 6.7 | 8 | 10.9 | 17 | 27.3 42.1 50.6 |
You will get an effective response within 24 hours from TongJiang Team.
COMPANY PROFILE (Video)
floa
1. Our Factory
30 years experience of valve and pipeline industry.
10 senior technical engineers
20000 m2 production area
More than 100 employees to provide professional service.
As the reliable OEM for famous valve brand companies.
t ball valve
2. Factory Show
TongJiang Valve Technology Company was established for 30 years. There are more than 100 employees which includes 10 professional engineers.

OUR SERVICE ball valve
Reliable Quality, Competitive Price
Reply your inquiry in 2 hours with professional service.
Miss Angela
Mobile: +86 13588429004(Whatsapp)
Skype: angelazhuo1
E-mail: angela@tjfmcn.com
Tel No: +86 571 86991717
Official Website: www.zjtjvalve.com