Flanged Butterfly Valve in Stretch Type with Turbine Driven , Cast Steel
PRODUCT INTRODUCTION
Description
Stretch Type Turbine Driven Flange Butterfly Valve can stretch or shrink along with the shaft within a certain range and also overcome the displacement due to non-concentricity in the pipelines butt-connection to the shaft within a certain range of angle, making great convenience for the installation and remove of both valve and pipeline. Suitable for the purifying pipeline in petroleum, electric power, food, beverage, medicine industries etc. and the pipeline in industrial environmental protection, water treatment, high buildings, water supply and drainage etc. to act as open-close, getting through and adjusting the mediums flow.
Specification
| Name of parts | Material |
| Body | C.l, WCB |
| Wedge | C.lNo28A |
| stem | Stainless steel |
| Sealing ring | NBR PTFE |
| Packing | NBR PTFE V. washer |
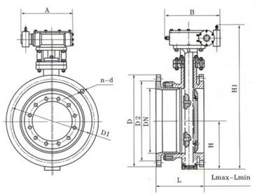
Stretch Butterfly Valve Drawing and Datasheet

| DN (mm) | PN (MPa) | Main external and connection dimensions(mm) | ||||||||
| L | LMAX | LMIN | D1 | D | Zd | H | H0 | D0 | ||
| 50 | 1.0/1.6 | 150 | 163 | 138 | 125 | 165 | 4-18 | 82.5 | 306 | 150 |
| 65 | 170 | 188 | 158 | 145 | 185 | 4-18 | 92.5 | 326 | 150 | |
| 80 | 180 | 192 | 162 | 160 | 200 | 4-18/8-18 | 100 | 341 | 150 | |
| 100 | 190 | 225 | 180 | 180 | 220 | 8-18 | 110 | 366 | 150 | |
| 125 | 200 | 235 | 190 | 210 | 250 | 8-18 | 125 | 396 | 150 | |
| 150 | 210 | 240 | 195 | 240 | 285 | 8-22 | 142.5 | 431 | 150 | |
| 200 | 230 | 265 | 215 | 295 | 340 | 8-22/12-22 | 170 | 617 | 220 | |
| 250 | 250 | 285 | 235 | 350/355 | 395/405 | 12-22/12-25 | 197.5 | 672 | 220 | |
| 300 | 270 | 302 | 252 | 400/410 | 445/460 | 12-22/12-25 | 222.5 | 768 | 280 | |
| 350 | 290 | 321 | 271 | 460/470 | 505/520 | 16-22/16-25 | 252.5 | 828 | 280 | |
| 400 | 310 | 343 | 283 | 515/525 | 565/580 | 16-26/16-30 | 282.5 | 948 | 320 | |
| 450 | 1.0 | 330 | 360 | 300 | 565 | 615 | 20-26 | 307.5 | 997 | 320 |
| 500 | 350 | 380 | 320 | 620 | 670 | 20-26 | 335 | 1053 | 320 | |
| 600 | 390 | 425 | 365 | 725 | 780 | 20-30 | 390 | 1165 | 320 | |
| 700 | 430 | 465 | 395 | 840 | 895 | 24-30 | 447.5 | 1380 | 400 | |
| 800 | 470 | 510 | 430 | 950 | 1015 | 24-33 | 507.5 | 1500 | 400 | |
| 900 | 510 | 560 | 460 | 1050 | 1115 | 28-33 | 557.5 | 1600 | 400 | |
| 1000 | 550 | 600 | 500 | 1160 | 1230 | 28-36 | 615 | 1720 | 400 | |
| 1200 | 570 | 680 | 580 | 1380 | 1455 | 32-39 | 727.5 | 1815 | 400 | |
| 1400 | 640 | 780 | 710 | 1560 | 1630 | 36-39 | 854.2 | 1945 | 500 | |
| 1600 | 720 | 860 | 790 | 1760 | 1830 | 40-36 | 973 | 2015 | 500 | |
| 1800 | 800 | 940 | 870 | 1970 | 2045 | 44-39 | 1025 | 2235 | 500 | |
| 2000 | 880 | 1020 | 950 | 2100 | 2125 | 48-42 | 1135 | 2565 | 500 | |
Please feel free to contact with us at angela@tjfmcn.com or filling up an enquiry form instructed at the bottom.
You will get an effective response within 24 hours from TongJiang Team.
COMPANY PROFILE (Video)
floa
1. Our Factory
30 years experience of valve and pipeline industry.
10 senior technical engineers
20000 m2 production area
More than 100 employees to provide professional service.
As the reliable OEM for famous valve brand companies.
t ball valve
2. Factory Show
TongJiang Valve Technology Company was established for 30 years. There are more than 100 employees which includes 10 professional engineers.

OUR SERVICE ball valve
Reliable Quality, Competitive Price
Reply your inquiry in 2 hours with professional service.
Miss Angela
Mobile: +86 13588429004(Whatsapp)
Skype: angelazhuo1
E-mail: angela@tjfmcn.com
Tel No: +86 571 86991717
Official Website: www.zjtjvalve.com