Triple Eccentric Metal Seated Butterfly Valves, Wafer Type in WCB, Stainless
PRODUCT INTRODUCTION
Description
Triple eccentric design principle
Triple eccentric design principle Metal seated high pressure butterfly valves provide bi-directional bubble tight shut off which achieved by introducing state of the triple eccentric disc geometry.
The valve shaft is off set against the seat and the centre line of the valve body respectively. The seating edges are machined with a continuously changing slope from an angle on top of the oval seat ring to an angle at the opposite side. This geometry ensures that the seat ring stays clear of the seat except at the final shut off position which results long life seat.
Metal to metal seat
Various disc seals are available to comply with each temperature and pressure service applications. Solid metal seals are often used for temperatures above 510°C and up to 815°C or low temperature service. The laminated metal seal consisted of stainless steel with intermediate material of graphite or ceramic fiber layers is used widely. The laminated seal is secured to the disc with a bolt-on stainless steel clamp ring, and easily accessible for replacement. The graphite laminated seal Ring is suitable for tempertures between -40°C and 650°C in general. The seal leakage meets API 598 or API 6D. The solid metal seating valve can be operated in a temperature range of -196°C ~ 815°C. Valve for cryogenic application shall be provided with extended stem.
Application
• Petroleum refinery • Nuclear power plants • Fossil power plants • Cryogenic services • Petrochemical plants • Exhaust gas line & Steam line • Fire safe line
Specification
Size Range : 2"- 120"
Valve Material : Stainless Steel, Carbon Steel
End Connections : Wafer Type, Lug Type, Flange Type
Seat Ring Material: Stainless Steel
Disc Material: Stainless Steel, Carbon Steel
Stem Material: Stainless Steel
Features
Valve with metal seat
Friction-free operation
Zero leakage bidirectional tight shut-off
Rating: PN25, PN50
Options: Lever, Gear, Pneumatic, Electric Operated
Service Application: Water, Seawater, Air, Oil, Powder, Gas ect.
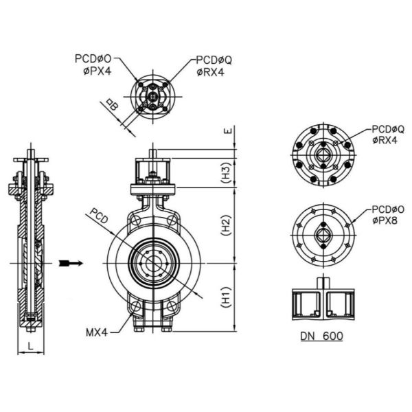
Butterfly Valve Drawing and Datasheet

| Valve Size | L | H1 | H2 | H3 | B | O | P | Q | R | E | Cv | |
| NPS | MM | |||||||||||
| 3” | 80 | 47 | 137 | 145 | 60 | 11 | 70 | 9 | 50 | 7 | 18 | 173 |
| 4” | 100 | 53 | 140 | 155 | 60 | 11 | 70 | 9 | 50 | 7 | 18 | 355 |
| 6” | 150 | 56 | 177 | 200 | 70 | 14 | 102 | 11 | 70 | 9 | 24 | 1040 |
| 8” | 200 | 63 | 204 | 225 | 70 | 19 | 102 | 11 | 70 | 9 | 28 | 1980 |
| 10” | 250 | 69 | 252 | 270 | 80 | 22 | 125 | 14 | 102 | 11 | 28 | 3150 |
| 12” | 300 | 79 | 281 | 300 | 100 | 27 | 140 | 18 | 125 | 14 | 37 | 4680 |
| 14” | 350 | 79/92 | 317 | 355 | 100 | 32 | 140 | 18 | 125 | 14 | 48 | 6388 |
| 16” | 400 | 102 | 351 | 385 | 120 | 32 | 165 | 22 | 140 | 18 | 47 | 8312 |
| 18” | 450 | 114 | 376 | 430 | 120 | 36 | 165 | 22 | 140 | 18 | 48 | 10525 |
| 20” | 500 | 127 | 411 | 455 | 150 | 36 | 165 | 22 | 140 | 18 | 47 | 13053 |
| 24” | 600 | 154 | 476 | 540 | 150 | 46 | 254 | 18 | 165 | 22 | 56 | 18610 |
Please feel free to contact with us at angela@tjfmcn.com or filling up an enquiry form instructed at the bottom.
You will get an effective response within 24 hours from TongJiang Team.
COMPANY PROFILE (Video)
floa
1. Our Factory
30 years experience of valve and pipeline industry.
10 senior technical engineers
20000 m2 production area
More than 100 employees to provide professional service.
As the reliable OEM for famous valve brand companies.
t ball valve
2. Factory Show
TongJiang Valve Technology Company was established for 30 years. There are more than 100 employees which includes 10 professional engineers.

OUR SERVICE ball valve
Reliable Quality, Competitive Price
Reply your inquiry in 2 hours with professional service.
Miss Angela
Mobile: +86 13588429004(Whatsapp)
Skype: angelazhuo1
E-mail: angela@tjfmcn.com
Tel No: +86 571 86991717
Official Website: www.zjtjvalve.com