Product Introduction:
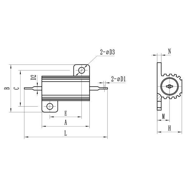
Size:

| specifications and models | rated power(W) | resistance range(Q) | Size (mm) | weight (g,max) | Recommended Standard Aluminum Heat Sink Plate(cm2)Thickness 1.5㎜ | ||||||||||
| L | A±0.5 | B±0.5 | C±0.5 | E±0.5 | M±1 | H±0.5 | N±0.3 | D1 | D2 | D3 | |||||
| max | |||||||||||||||
| RX24-5W | 5 | 0.51~1K | 31 | 15 | 16 | 12 | 11 | 4.4 | 8.5 | 1.5 | 1.5 | 1.5 | 2.4 | 6.3 | 410 |
| RX24-10W | 10 | 0.51~1.5K | 39 | 19.5 | 21 | 16 | 14 | 5 | 10 | 2 | 2 | 2 | 2.5 | 8 | 410 |
| RX24-25W | 25 | 0.51~8.2K | 52 | 27 | 27 | 20 | 18 | 7 | 14 | 2.3 | 2 | 2 | 3.5 | 16 | 544 |
| RX24-50W | 50 | 0.51~20K | 73 | 50 | 29 | 21.5 | 40 | 7.3 | 15.5 | 2.3 | 2 | 2 | 3.5 | 32 | 824 |
Key Test Items:
| Test Items | Test Conditions | Performance Requirements | Test Standards |
| Voltage withstand capability | Voltage: 5W; 500Vac, 10W to 25W; 1000Vac, 50W; 1500Vac, 1 minute, between lead terminals and mounting board | No breakdown, no arcing | GB/T 5729-2003 Section 4.7 |
| Resistance variation with temperature | Lower category temperature: (-55±3) ℃ ; (+155±2) ℃ | Resistance ≥10Ω: ±250ppm/℃,Resistance 5.1Ω to 10Ω: ±500ppm/℃,Resistance <5.1Ω: No specific requirement | GB/T 5729-2003 Section 4.8 |
| Overload testing | Load with 10 times rated power for 5 seconds | ΔR ≤ ±(1%R + 0.05Ω) | GB/T 5732-1985 Section 2.3.4 |
| Lead terminal strength | Pull force: 40N, 10 seconds | ΔR ≤ ±(1%R + 0.05Ω) | GB/T 2423.28-2005 |
| Solderability | Slot temperature: (270±10) ℃,Dipping time: (2±0.5) seconds | Evenly tinned, free flow | GB/T 2423.28-2005 |
| Rapid temperature changes | Temperature range: (-55 to +155) ℃, 5 cycles | ΔR ≤ ±(1%R + 0.05Ω) | GB/T 2423.22-2002 |
| Impact resistance | Acceleration: 500m/s2, time: 11ms, half sine wave | ΔR ≤ ±(1%R + 0.05Ω) | GB/T 2423.05-1995 |
| Vibration resistance | Frequency: (10 to 500) Hz, amplitude 0.75mm or acceleration 100m/s2, 6 hours | ΔR ≤ ±(1%R + 0.05Ω) | GB/T 2423.10-2008 |
| Steady-state humidity and heat | Temperature: (40±2) ℃, relative humidity: (93±3) %RH, 500 hours | ΔR ≤ ±(5%R + 0.1Ω) | GB/T 2423.03-1993 |
| Room temperature endurance | Product mounted horizontally on recommended standard aluminum heat sink board, ambient temperature: (15 to 30) ℃, rated power, 1.5 hours on; 0.5 hours off, for 1000 hours | ΔR ≤ ±(5%R + 0.1Ω) | GB/T 5729-2003 Section 4.25 |
Power dissipation curve:

Temperature rise curve:

Ordering Example:
Model Number :RX24
Rated Power:25W
Nominal Resistance:10Ω
Resistance Tolerance:±5%
encapsulating material:silicone,epoxy,Silica sand
Quantity:1000 pieces