DIN 11851 Stainless Steel Sanitary DIN Unions Fittings T304 T316L Round Slotted Nut
Sanitary DIN union fittings are fabricated complying with DIN 11851 standard. Consisting of a round slotted nut, a weld liner and weld male, and a o-ring seal. Wellgreen sanitary offers DIN sanitary union fittings assembling with different types, and customized fabrication is available.
|
PRODUCT |
Sanitary DIN Union Fittings consist of: – Round Slotted Nut – Welding Liner – Welding Male – Blank Liner – Long Welding Male – Blank Nut – Long Welding Liner – Sanitary Gasket |
|---|---|
|
DIMENSION |
DN10 – DN150 |
|
MATERIAL |
T304, T316L, 1.4301, 1.4404 |
|
STANDARD |
DIN 11851 |
|
SEALING GASKET |
Silicone, EPDM, PTFE, Buna-N etc. |
|
TEMPERATURE |
-30°C / -22°F up to +120°C/ +248°F |
|
APPLICATION |
Pharmacy, Beer, Food, Petroleum, Dairy, Beverage,Biotech ,Cosmetics etc. |
|
HOW TO ORDER |
*Products Name *Size *Material *Quantity *Standard *Polish requests |

|
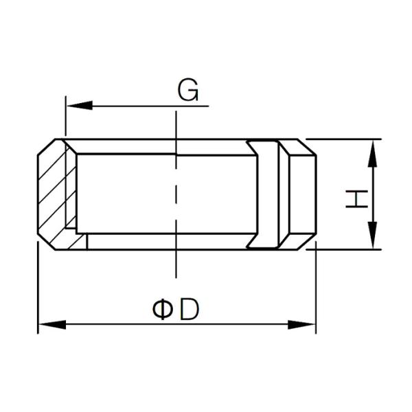
Size |
D |
G |
H |
|
DN10 |
38 |
Rd28 X 1/8 |
18 |
|
DN15 |
44 |
Rd34 X 1/8 |
18 |
|
DN20 |
54 |
Rd44 X 1/6 |
20 |
|
DN25 |
62 |
Rd52 X 1/6 |
21 |
|
DN32 |
68 |
Rd58 X 1/6 |
21 |
|
DN40 |
78 |
Rd65 X 1/6 |
21 |
|
DN50 |
91 |
Rd78 X 1/6 |
22 |
|
DN65 |
110 |
Rd95 X 1/6 |
25 |
|
DN80 |
126 |
Rd110 X 1/4 |
27 |
|
DN100 |
146 |
Rd130 X 1/4 |
29 |
|
DN125 |
178 |
Rd160 X 1/4 |
32 |
|
DN150 |
210 |
Rd119 X 1/4 |
38 |

|
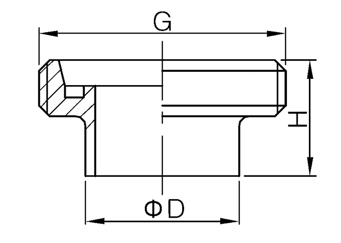
Size |
Inch |
D |
t |
G |
H |
|
DN25 |
1″ |
25.4 |
1.5 |
Rd52 X 1/6 |
29 |
|
DN32 |
1 1/4″ |
31.8 |
1.5 |
Rd58 X 1/6 |
32 |
|
DN40 |
1 1/2″ |
38.1 |
1.5 |
Rd65 X 1/6 |
33 |
|
DN50 |
2″ |
50.8 |
1.5 |
Rd78 X 1/6 |
35 |
|
DN65 |
2 1/2″ |
63.5 |
2 |
Rd95 X 1/6 |
40 |
|
DN80 |
3″ |
76.2 |
2 |
Rd110 X 1/4 |
45 |
|
DN100 |
4″ |
101.6 |
2 |
Rd130 X 1/4 |
54 |
*All dimension are in mm except specified.
*For more information and specification about sanitary DIN union fittings, please contact us.
