2 Inch Stainless Steel Sanitary RTJ Unions T304 T316L Blank Hexagon Nut
Sanitary RJT union consist of a union nut, a welding/expanding male, a welding/expanding liner and a gasket. Wellgreen sanitary provide RJT union in stainless steel 1.4301 and 1.4404, and machined by CNC to make sure getting high purity surface and good precision. Our sanitary unions are applied to the cleanliness industries of Pharmacy, Beer, Food, Petroleum, Dairy, Beverage,Biotech etc.
|
PRODUCT |
Sanitary RJT Unions – round nut, hexagonal nut, blank cap, welding male, welding liner, expanding male, expanding liner, gasket etc. |
|---|---|
|
DIMENSION |
1″ thru 4″ |
|
MATERIAL |
T304, T316L, EN 1.4301, EN 1.4404 etc. |
|
STANDARD |
RJT |
|
SEALING GASKET |
Silicone, EPDM, PTFE, Buna-N etc. |
|
TEMPERATURE |
-30°C / -22°F up to +120°C/ +248°F |
|
APPLICATION |
Pharmacy, Beer, Food, Petroleum, Dairy, Beverage,Biotech ,Cosmetics etc. |
|
How to order |
*Part Name *Size *Material *Quantity *Standard *Surface Finish |

Dimension of Sanitary RJT Union – Blank Hexagon Nut – Sanitary Fitting
|
SIZE |
A |
E |
H |
|
1″ |
42.6*1/8 |
49.0 |
24.0 |
|
11/2″ |
55.3*1/8 |
63.0 |
24.0 |
|
2″ |
68.3*1/6 |
77.3 |
25.0 |
|
21/2″ |
80.9*1/6 |
90.0 |
26.0 |
|
3″ |
93.6*1/6 |
102.7 |
26.0 |
|
4″ |
119.1*1/6 |
128.0 |
25.0 |
|
6″ |
169.6*1/6 |
182.0 |
29.0 |

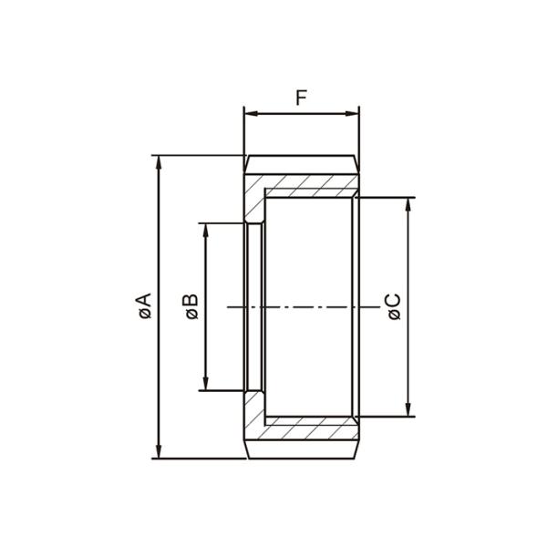
Dimension of Sanitary RJT Union – Round Nut – Sanitary Fitting
|
SIZE |
A |
B |
C |
F |
|
1″ |
58.5 |
33.3 |
42.6*1/8 |
22.2 |
|
11/2″ |
74 |
46 |
55.3*1/8 |
22.2 |
|
2″ |
85.5 |
58.7 |
68.3*1/6 |
22.2 |
|
21/2″ |
98.5 |
71.4 |
80.9*1/6 |
22.2 |
|
3″ |
111.6 |
84.1 |
93.6*1/6 |
22.2 |
|
4″ |
138 |
109.5 |
119.1*1/6 |
22.2 |
|
5″ |
172.5 |
136 |
144.1*1/6 |
24 |
|
6″ |
197 |
162.6 |
169.6*1/6 |
23.5 |
* All dimension are in mm except specified.
** For more information, please contact us.