1 Inch Stainless Steel Sanitary SMS Union T304 T316L Round Slotted Nut
Sanitary SMS union consist of a union nut, a welding male, a welding liner and a gasket. It is very popular in sanitary process system. SMS union and parts are forged in stainless steel 1.4301 and 1.4404, and machined by CNC to make sure getting high purity surface and good precision, meet the cleanliness of the industries Pharmacy, Beer, Food, Petroleum, Dairy, Beverage,Biotech etc.
|
PRODUCT |
Sanitary SMS Unions – round slotted nut, blank liner, welding male, welding liner, expanding male, expanding liner, gasket etc. |
|---|---|
|
DIMENSION |
1″ thru 4″ |
|
MATERIAL |
T304, T316L, EN 1.4301, EN 1.4404 etc. |
|
STANDARD |
SMS |
|
SEALING GASKET |
Silicone, EPDM, PTFE, Buna-N etc. |
|
TEMPERATURE |
-30°C / -22°F up to +120°C/ +248°F |
|
APPLICATION |
Pharmacy, Beer, Food, Petroleum, Dairy, Beverage,Biotech ,Cosmetics etc. |
|
How to order |
* Part Name * Size * Material * Quantity * Standard * Surface Finish |

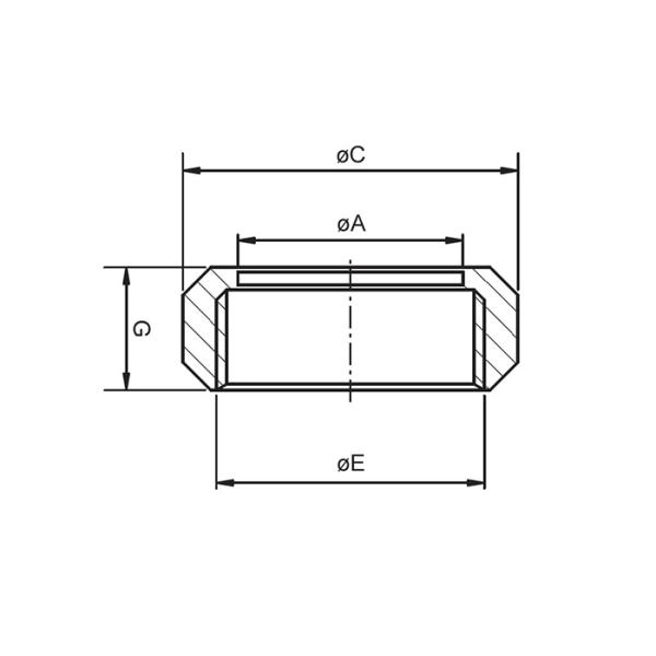
Dimension of Sanitary SMS Union – Round Slotted Nut – Sanitary Fitting
|
Size |
A |
C |
E |
G |
|
1″ |
32.5 |
51 |
RD40*1/6 |
19 |
|
11/4″ |
40.3 |
60 |
RD48*1/6 |
22 |
|
11/2″ |
48.5 |
74 |
RD60*1/6 |
23 |
|
2″ |
61 |
84 |
RD70*1/6 |
24 |
|
21/2″ |
74 |
100 |
RD85*1/6 |
28 |
|
3″ |
87 |
114 |
RD98*1/6 |
30 |
|
4″ |
113 |
138 |
RD125*1/4 |
31 |

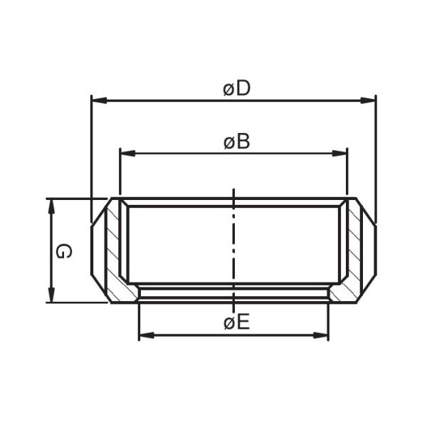
Dimension of Sanitary SMS Union – Round Slotted Nut-W – Sanitary Fitting
|
Size |
B |
D |
E |
G |
|
1″ |
RD40*1/6 |
51 |
32.3 |
20 |
|
11/4″ |
RD48*1/6 |
60 |
40.0 |
22 |
|
11/2″ |
RD60*1/6 |
74 |
48.5 |
25 |
|
2″ |
RD70*1/6 |
84 |
61.0 |
26 |
|
21/2″ |
RD85*1/6 |
100 |
74.0 |
30 |
|
3″ |
RD98*1/6 |
114 |
87.0 |
32 |
|
4″ |
RD132*1/6 |
154 |
117 |
45 |

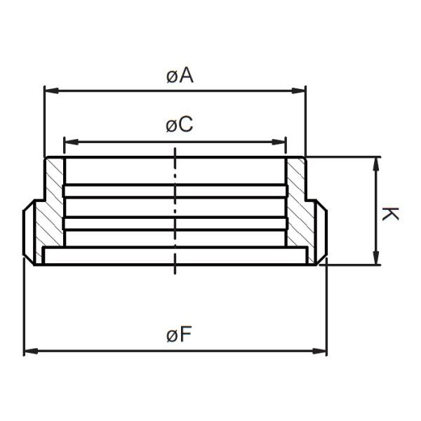
Dimension of Sanitary SMS Union -SMS Expanding Male – Sanitary Fitting
|
Size |
A |
C |
F |
K |
|
1″ |
32 |
25.2 |
RD40*1/6 |
20 |
|
11/2″ |
47.9 |
38.2 |
RD60*1/6 |
23 |
|
2″ |
60.4 |
51.2 |
RD70*1/6 |
25 |
|
21/2″ |
73.5 |
63.7 |
RD85*1/6 |
30 |
|
3″ |
86.5 |
76.2 |
RD98*1/6 |
30 |
|
4″ |
112.5 |
101.8 |
RD125*1/4 |
30 |

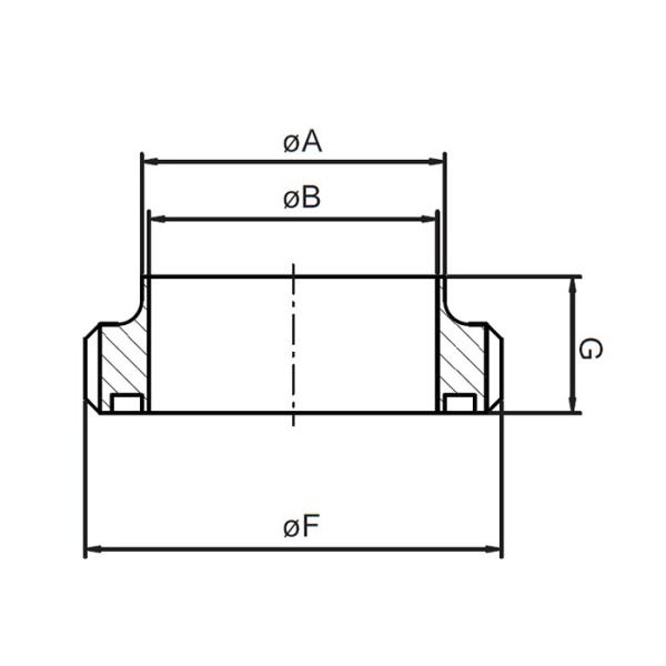
Dimension of Sanitary SMS Union -SMS Welding Male-W – Sanitary Fitting
|
Size |
A |
B |
F |
G |
|
25 |
25.0 |
22.6 |
RD40*1/6 |
15 |
|
32 |
32.0 |
29.6 |
RD48*1/6 |
17 |
|
38 |
38.0 |
35.6 |
RD60*1/6 |
20 |
|
51 |
51.0 |
48.6 |
RD70*1/6 |
20 |
|
63 |
63.5 |
60.3 |
RD85*1/6 |
24 |
|
76 |
76.1 |
72.9 |
RD98*1/6 |
24 |
|
104 |
101.6 |
97.6 |
RD132*1/6 |
35 |
*All dimension are in mm except specified.
**For more information, please contact us.
