F7110 SOP-8 Package High Power Constant Power Linear LED Driver ODM Solutions For LED Lamps
Typical Application
Suitable for high-power requirements of filament lamps, mining lamps, high-power bulbs, various types of LED lamps
Advantages
Made of 500V high pressure process
External power MOS output current up to 350mA
Input AC voltage 110V/220V
With line voltage compensation
Support analog voltage dimming function
With VS pin is energy control
Support multiple sets of parallel use to increase output power
Support multi-segment series operation mode to improve PFC/THD
With temperature foldback -10% / °C function
Overvoltage (adjustable) protection
Start current protection
Low voltage start function
Package form SOP-8
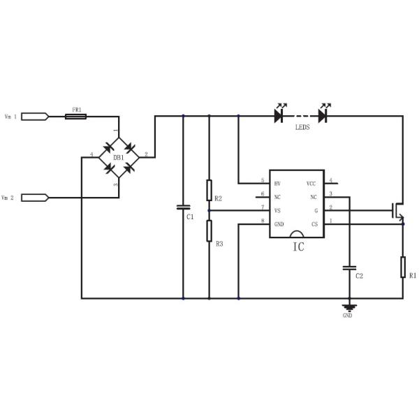
Application Circuit
Simple F7110 single-stage high-power circuit

F7110+F5112 automatic serial and low voltage start circuit


F Linear Series Chip Selection Table
| NO. | P/N | Function & Features | MOSFET | I(mA) | LED VF value | Package |
| 1 | F5111 | Constant current temperature reentry, can design high P ripple and low P ripple free, can be used in parallel with high power | Internal | 60 | 120/252V | SOT-89 |
| 2 | F5112 | 100 | TP-252 | |||
| 3 | F7112 | Constant power, temperature foldback, PWM dimming, high and low PFC | 100 | ESOP-8 | ||
| 4 | F7110 | High-power linear drive, analog DC dimming, temperature foldback, voltage protection, can be used to design full-voltage operation mode | External | 350 | SOP-8 | |
| 5 | F7722 | SCR dimming, can design flat panel lights, bulb lamps, filament lamps E14, E27 and other 12W thyristor dimming | Internal | 100 | ESOP-8 | |
| 6 | F7522 | 1.VF half-pressure design, input width (160-270VAC) work 2.110/220VAC high P ripple-free design | 100 | 100-150V | ||
| 7 | F2552 | 1. With F7112 full voltage 12W design 2.VF half voltage rippleless design 3.110/220VAC high P ripple free design | 100 | 120-252 | PDFN-8 | |
| 8 | F2722/1 | Constant power type can be used in parallel | 100 | ESOP-8 |
Company Introduction
AOLITTEL TECHNOLOGY CO., LTD. set up vigorous, proactive and innovative R&D and management team for professional design of LED driver chips,focusing on the development, design and application of LED driver chips. We have two R&D centers in East China and South China,Aolittel has formed strategic cooperation & Industry Alliance with the 13th Research Institute of China Electronics Technology Group Corporation, the Software Research Institute of the Chinese Academy of Sciences, the National Semiconductor Lighting Engineering R&D , also maintained close cooperation in chip development, design and technology applications. communication.
Our products focus on combination both high-reliability and cost-effective , breaking the technical barriers of the traditional linear solution, paving the way for the development of linear LED drivers in the future. In particular, new breakthroughs have been made in the field of high-end LED drivers, so that solutions that had to be solved with complex switching power supplies can now be replaced with highly reliable and cost-effective linear solutions. The technical solution to the contradiction between high power factor and no stroboscopic. At the same time, it provides full voltage input linear drive scheme, small volume and low VF value filament lamp drive scheme, wide voltage input drive scheme, high energy efficiency 110Vac/220Vac thyristor dimming drive scheme, intelligent dimming drive scheme and so on. The product power range covers from 3W to over 60W, and can also be customized for customers' special needs.
Aolittel adheres to the core values of “integrity”, “professional”, “innovation”, “service” and “quality”, and is committed to providing high-quality products and overall solutions for the LED lighting industry.