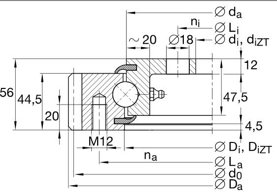
VLA200944-N Four point contact slewing ring bearing external gear teeth,inner ring flanged 834x1046.1x56mm
Structure and Parameters:

VLA Four point contact bearings light series(external gear teeth,inner ring flanged)
| Model | d (mm) | D (mm) | H(mm) |
| VLA200414-N | 304 | 503,3 | 56 |
| VLA200544-N | 434 | 640,3 | 56 |
| VLA200644-N | 534 | 742,3 | 56 |
| VLA200744-N | 634 | 838,1 | 56 |
| VLA200844-N | 734 | 950,1 | 56 |
| VLA200944-N | 834 | 1046,1 | 56 |
| VLA201094-N | 984 | 1198,1 | 56 |
Drawings and other parameters ,pls contact us free, thanks
Market:
After years of development ,our products have been sent out to Germany ,Italy, Spain, Romania,Belgium,Israel,Russia,Korea,Mexico,India etc. Good quality and Service earn the constant supports from all our customers. any of your questions will be welcomed here any time.
Payment Terms:
Most of our customers use T/T( 40% in advance, Balance before shippment), Western Union ,Money Gram, for larger amount consider LC, all can be negotiable.
Many other precision bearings series available
Online shopping Address: www.ydpbbearings.com