XSA140644-N Cross roller bearing 574x742.3x56mm slewing ringsXSA140744-N 674x838.1x56mm external gear teeth both seals
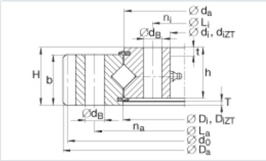
Structure and Parameters:

| Model | INA | Outer dimension (mm) | Mounting dimensio n(mm) | Gear datas (mm) | Axial Static load rating (KN) | Weight (KG) | |||||||||||
| Da | D | di | H | La | Li | n1 | n2 | φ1 | φ2 | m | z | do | x | ||||
| XOU10/235 | XA 120235N | 318.8 | 171 | 40 | 275 | 195 | 12 | 12 | 13 | 13 | 4 | 78 | 312 | 280 | 13 | ||
| XOU20/307 | XA 180307N | 408.4 | 235 | 55 | 358 | 259 | 24 | 24 | 13 | 13 | 5 | 80 | 400 | 450 | 29 | ||
| XOU15/407 | XA 160407N | 503.3 | 335 | 50 | 455 | 359 | 30 | 30 | 13 | 13 | 5 | 99 | 495 | 600 | 33 | ||
| XOU25/475Y | XA 260475N | 598.2 | 382 | 65 | 540 | 410 | 36 | 36 | 16 | 16 | 6 | 98 | 588 | 1060 | 64 | ||
| XOU30/560 | XA 280560N | 708 | 464 | 87 | 628 | 492 | 56 | 56 | 16 | 16 | 10 | 69 | 690 | 1245 | 110 | ||
| XOU15/540 | XA 140540N | 640.3 | 471 | 48 | 585 | 495 | 40 | 40 | 13 | 13 | 6 | 105 | 630 | 770 | 39 | ||
| XOU15/596 | XA 160596N | 712.3 | 510 | 55 | 650 | 542 | 24 | 24 | 18 | 18 | 6 | 117 | 702 | 880 | 63 | ||
| XOU15/640 | XA 140640N | 742.3 | 571 | 50 | 685 | 595 | 44 | 44 | 13 | 13 | 6 | 122 | 732 | 910 | 50 | ||
| XOU25/685 | XA 240685N | 830.1 | 577 | 68 | 753 | 617 | 24 | 24 | 22 | 22 | 8 | 102 | 816 | 1380 | 115 | ||
| XOU20/720 | XA 200720N | 844.3 | 630 | 59 | 780 | 662 | 30 | 30 | 18 | 18 | 6 | 139 | 834 | 1180 | 87 | ||
| XOU15/753 | XA 140753N | 862.3 | 674 | 50 | 800 | 706 | 28 | 28 | 18 | 18 | 6 | 142 | 852 | 1060 | 65 | ||
| XOU20/818 | XA 200818N | 940.1 | 728 | 60 | 875 | 760 | 36 | 36 | 18 | 18 | 6 | 155 | 930 | 1460 | 100 | ||
| XOU30/845 | XA 280845N | 1008 | 730 | 87 | 920 | 770 | 40 | 40 | 22 | 22 | 10 | 99 | 990 | 1830 | 200 | ||
| XOU20/895 | XA 220895N | 1038.1 | 790 | 68 | 960 | 830 | 32 | 32 | 22 | 22 | 8 | 128 | 1024 | 1860 | 145 | ||
| XOU30/995 | XA 280995N | 1158 | 882 | 80 | 1068 | 922 | 40 | 40 | 22 | 22 | 10 | 114 | 1140 | 2550 | 210 | ||
| XOU20/978 | XA 220978N | 1110.1 | 883 | 68 | 1040 | 915 | 52 | 52 | 18 | 18 | 8 | 137 | 1096 | 2100 | 140 | ||
| XOU15/969 | XA 140969N | 1086.1 | 890 | 60 | 1015 | 922 | 36 | 36 | 18 | 18 | 8 | 134 | 1072 | 1400 | 105 | ||
| XOU35/1117 | XA 341117N | 1293.6 | 995 | 100 | 1198 | 1035 | 60 | 60 | 22 | 22 | 12 | 106 | 1272 | 3600 | 310 | ||
| XOU30/1213 | XA 301213N | 1389.6 | 1095 | 92 | 1290 | 1135 | 56 | 56 | 22 | 22 | 12 | 114 | 1368 | 3800 | 300 | ||
| XOU25/1320Y | XA 261320N | 1485.6 | 1210 | 85 | 1390 | 1250 | 52 | 52 | 22 | 22 | 12 | 122 | 1464 | 3800 | 285 | ||
| XOU35/1455 | XA 341455N | 1653.6 | 1317 | 95 | 1545 | 1365 | 56 | 56 | 26 | 26 | 12 | 136 | 1632 | 5100 | 430 | ||
| XOU30/1600Y2 | XA 301600N | 1803.5 | 1470 | 92 | 1682 | 1518 | 52 | 52 | 26 | 26 | 14 | 127 | 1778 | 4200 | 460 | ||
| XOU50/1790 | XA 501790N | 2027.5 | 1621 | 130 | 1905 | 1675 | 76 | 76 | 30 | 30 | 14 | 143 | 2002 | 8200 | 890 | ||
| XOU40/1765 | XA 401765N | 1971.5 | 1622 | 110 | 1860 | 1670 | 68 | 68 | 26 | 26 | 14 | 139 | 1946 | 6100 | 640 | ||
| XOU40/1832 | XA 401832N | 2041.5 | 1687 | 110 | 1930 | 1735 | 72 | 72 | 26 | 26 | 14 | 144 | 2016 | 6400 | 680 | ||
| XOU20/1821 | XA 221821N | 2013.1 | 1714 | 100 | 1886 | 1754 | 64 | 64 | 22 | 22 | 18 | 110 | 1980 | 3900 | 500 | ||
| XOU40/1985 | XA 401985N | 2229.1 | 1826 | 110 | 2089 | 1880 | 72 | 72 | 30 | 30 | 18 | 122 | 2196 | 6900 | 810 | ||
| XOU40/2130 | XA 402130N | 2381.4 | 1965 | 118 | 2235 | 2025 | 52 | 52 | 33 | 33 | 16 | 147 | 2352 | 7600 | 980 | ||
| XOU35/2253 | XA 342253N | 2457.6 | 2112 | 118 | 2345 | 2160 | 88 | 88 | 26 | 26 | 12 | 203 | 2436 | 5600 | 850 | ||
| XOU30/2304 | XA 282304N | 2493.4 | 2190 | 110 | 2378 | 2230 | 92 | 92 | 22 | 22 | 16 | 154 | 2464 | 5350 | 680 | ||
| XOU40/2355 | XA 402355N | 2605.1 | 2190 | 118 | 2460 | 2250 | 60 | 60 | 33 | 33 | 16 | 161 | 2576 | 7000 | 1070 | ||
| XOU40/2638 | XA 402638N | 2861.1 | 2492 | 118 | 2735 | 2540 | 104 | 104 | 26 | 26 | 16 | 177 | 2832 | 7300 | 1050 | ||
| XOU45/2815 | XA 452815N | 3096.8 | 2640 | 127 | 2930 | 2700 | 84 | 84 | 33 | 33 | 20 | 153 | 3060 | 9500 | 1490 | ||
| XOU45/2935 | XA 452935N | 3216.8 | 2760 | 127 | 3050 | 2820 | 84 | 84 | 33 | 33 | 20 | 159 | 3180 | 10000 | 1560 | ||
| XOU50/3005 | XA 503005N | 3272.8 | 2820 | 138 | 3130 | 2880 | 104 | 104 | 33 | 33 | 18 | 180 | 3240 | 12100 | 1720 | ||
| XOU45/3170 | XA 453170N | 3436.8 | 2995 | 127 | 3285 | 3055 | 92 | 92 | 33 | 33 | 20 | 170 | 3400 | 10600 | 1610 | ||
| XOU50/3365 | XA 503365N | 3632.8 | 3180 | 138 | 3490 | 3240 | 116 | 116 | 33 | 33 | 18 | 200 | 3600 | 13100 | 1920 | ||
| XOU50/3585 | XA 503585N | 3866.8 | 3400 | 138 | 3710 | 3460 | 124 | 124 | 33 | 33 | 18 | 213 | 3834 | 14500 | 2130 | ||
| XOU50/3765 | XA 503765N | 4046.8 | 3580 | 138 | 3890 | 3640 | 128 | 128 | 33 | 33 | 18 | 223 | 4014 | 15200 | 2240 | ||
| XOU50/4175 | XA 504175N | 4436.8 | 3970 | 138 | 4285 | 4030 | 144 | 144 | 33 | 33 | 20 | 220 | 4400 | 16800 | 2430 | ||
Drawings and other parameters ,pls contact us free, thanks
Market:
After years of development ,our products have been sent out to Germany ,Italy, Spain, Romania,Belgium,Israel,Russia,Korea,Mexico,India etc. Good quality and Service earn the constant supports from all our customers. any of your questions will be welcomed here any time.
Payment Terms:
Most of our customers use T/T( 40% in advance, Balance before shippment), Western Union ,Money Gram, for larger amount consider LC, all can be negotiable.
Many other precision bearings series available
Online shopping Address: www.ydpbbearings.com