Crossed Roller Bearings Parameters
Model number- XU120179
Inner ring(mm)- 124.5
Outer ring(mm)- 234
Width(mm)- 35
Weight(Kg)- 7
Materials- GCR15/GCR15SiMn
Precision grade- P5/P4/P2
Lubrication type- Grease lubrication
Rotating part- Inner ring/Outer ring
Load direction- Multi-load
Structure- Integrated Inner/Outer Ring
Series Model NO..
XU050077,XU060094,XU060111,XU080120,XU080149,XU120179,XU120222,XU160260,XU080264,XU160405,XU080430,XU300515.
Related moldes.
XSU080168bearings,XSU080188bearings,XSU080218bearings,XSU080258bearings,XSU080318bearings,XSU080398bearings,
Applications
Vertical machining center,vibratory grinding unit,tandem roller etc. high precision parts
Structure and Parameters:

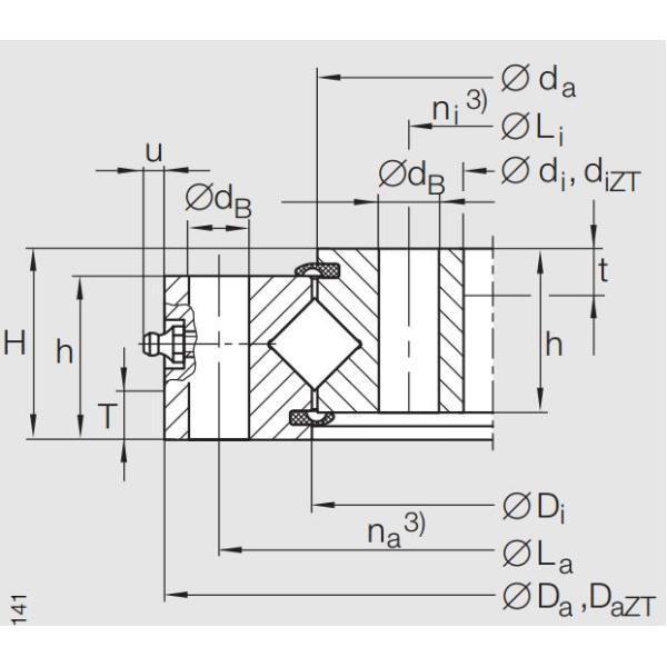
| Series | Model Number | Main dimensions | Fixing Hole(Outer ing) | Fixing Hole(Inner ing) | Basic load rating (Axial) | Basic load rating (Radial) | Weight Kg | |||||||
| Inner ring d(mm) | Outer ring D(mm) | Roller pitch circle dp(mm) | Width B(mm) | Pitch of holes φLa | Number na | Pitch of holes φLi | Number ni | Ca KN | Coa KN | Cr KN | Cor KN | |||
| XU | XU050077 | 40 | 112 | 77 | 22 | 97 | 6-φ6.6 | 56 | 6-M8 | 22.4 | 29 | 14.3 | 14.2 | 1.4 |
| XU060094 | 57 | 140 | 94 | 26 | 120 | 6-φ9 | 70 | 6-M8 | 32.5 | 37.5 | 20.7 | 18.4 | 2.4 | |
| XU060111 | 76.2 | 145.79 | 111 | 15.87 | 133.1 | 8-φ6.9 | 88.9 | 8-φ6.9 | 36 | 44.5 | 22.8 | 21.5 | 1.2 | |
| XU080120 | 69 | 170 | 120 | 30 | 148 | 6-φ9 | 90 | 6-M8 | 56 | 53 | 35.5 | 26 | 4 | |
| XU080149 | 101.6 | 196.85 | 149.6 | 22.22 | 177.8 | 16-φ6.9 | 115.8 | 16-φ6.9 | 63 | 66 | 40 | 32.5 | 3.6 | |
| XU120179 | 124.5 | 234 | 179 | 35 | 214 | 12-φ11 | 144.5 | 12-φ11 | 118 | 179 | 75 | 88 | 7 | |
| XU120222 | 140 | 300 | 222 | 36 | 270 | 12-M16 | 170 | 12-φ18 | 133 | 275 | 85 | 131 | 12 | |
| XU160260 | 191 | 329 | 260 | 46 | 305 | 20-φ14 | 215 | 20-φ14 | 212 | 350 | 135 | 173 | 16 | |
| XU080264 | 215.9 | 311 | 264 | 25.4 | 295.3 | 12-φ8.7 | 231.8 | 12-φ8.7 | 85 | 117 | 54 | 57 | 6.9 | |
| XU160405 | 336 | 474 | 405 | 46 | 450 | 30-φ14 | 360 | 30-φ14 | 270 | 550 | 172 | 270 | 25 | |
| XU080430 | 380 | 480 | 430 | 26 | 462 | 20-φ9 | 398 | 20-M10 | 110 | 280 | 70 | 138 | 12 | |
| XU300515 | 384 | 646 | 515 | 86 | 598 | 18-φ26 | 432 | 18-φ26 | 720 | 1370 | 455 | 670 | 115 | |
Drawings and other parameters ,pls contact us free, thanks
Market:
After years of development ,our products have been sent out to Germany ,Italy, Spain, Romania,Belgium,Israel,Russia,Korea,Mexico,India etc. Good quality and Service earn the constant supports from all our customers. any of your questions will be welcomed here any time.
Payment Terms:
Most of our customers use T/T( 40% in advance, Balance before shippment), Western Union ,Money Gram, for larger amount consider LC, all can be negotiable.
Many other precision bearings series available
Online shopping Address: https://www.ydpbbearings.com