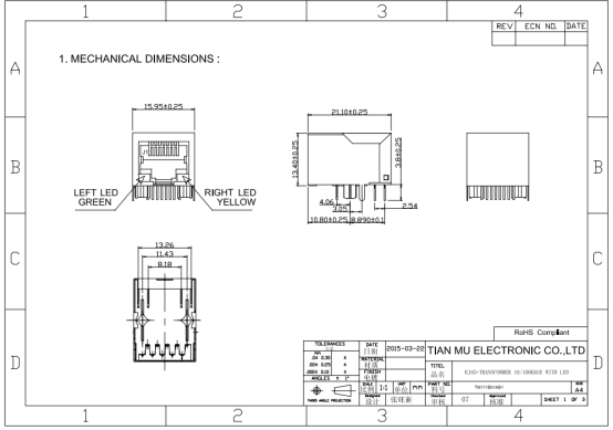
Single port 1X1 Tab-Down RJ45 with transformer 10/100Base-Tx LEDS with Side Entry TM111B01AB1,21.1mm
RJ45 Connector with Transformer (TM111B01AB1) Description:
 10/100Base-Tx RJ45 single port 1X1 with LEDS with Side Entry (Right Angle)
 Single port 1X1 Tab-Down RJ45 with internal magnetics
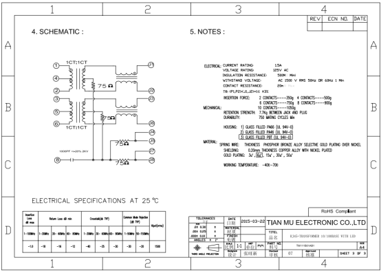
 Internal magnetics are 100% electrically tested for HI-POT and functionality
 Suitable for CAT5&6 fast Ethernet Cable or better UTP
 350uHminimum OCL with 8mA bias current
 High performance for maximum EMI suppression
 Minimum 1500Vrms isolation per IEEE 802.3 requirement
 ROHS-6 peak wave solder temperature rating 230℃
 Operating temperarure range :-40℃ to +85℃
 Storage temperature range :-40℃ to +85℃
 RJ45 Without Transformer (TM111B01AB1) Attributes:
| Model Number | TM111B01AB1 | 
| LENGTH | 21.1mm | 
| HOUSING MATERIAL | PBT UL94V-0 | 
| CONTACT MATING AREA PLATING | GOLD 6U'' PLATING | 
| CONNECTOR TYPE | RJ45 | 
| CONNECTOR MATERIAL COLOR | BLACK | 
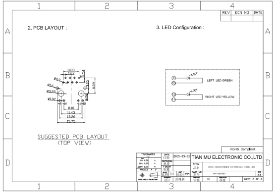
| LED OPTION | LEFT GREEN,RIGHT YELLOW | 
| NUMBER OF PORTS | 1X1 | 
| NUMBER OF CONTACTS | 8 | 
| GROUNDING OPTIONS | Panel Ground and PCB Ground | 
| SHIELD PLATING MATERIAL | NICKEL | 
| SHIELD EMI TABS | NO | 
| SHIELD | YES | 
| ROHS COMPLIANT | YES | 
| PANEL STOP | YES | 
| PCB MOUNT ANGLE | SIDE ENTRY | 
| PACKAGE | DIP | 
| CONNECTOR & CONTACT TERMINAATES TO | Printed Circuit Board | 
| LATCH ORIENTATION | LATCH DOWN | 
 RJ45 Female Connector (TM111B01AB1) Applications:
 10/100M net card,PCMCIA net card,USB Hub,network switch,router,fiber optic transceivers,optical transceiver,IP phone,internet set-top box,internet camera,net bridge,computer,telecommunication,MODEM,
 HomePNA,DSL/ADSL and so on.
 RJ45 Female Connector (TM111B01AB1) Mechnical Drawing:


