Single port 1X1 Tab-Down RJ45 with transformer 10/100Base-Tx LEDS with Side Entry ,21.1mm
RJ45 Without Transformer (TM111B01ABA111048) Attributes:
| Model Number | TM111B01ABA111048 |
| LENGTH | 21.1mm |
| HOUSING MATERIAL | PBT UL94V-0 |
| CONTACT MATING AREA PLATING | GOLD 6U'' PLATING |
| CONNECTOR TYPE | RJ45 |
| CONNECTOR MATERIAL COLOR | BLACK |
| LED OPTION | LEFT GREEN,RIGHT YELLOW |
| NUMBER OF PORTS | 1X1 |
| NUMBER OF CONTACTS | 8 |
| GROUNDING OPTIONS | Panel Ground and PCB Ground |
| SHIELD PLATING MATERIAL | NICKEL |
| SHIELD EMI TABS | NO |
| SHIELD | YES |
| ROHS COMPLIANT | YES |
| PANEL STOP | YES |
| PCB MOUNT ANGLE | SIDE ENTRY |
| PACKAGE | DIP |
| CONNECTOR & CONTACT TERMINAATES TO | Printed Circuit Board |
| LATCH ORIENTATION | LATCH DOWN |
RJ45 Female Connector (TM111B01ABA111048) Applications:
10/100M net card,PCMCIA net card,USB Hub,network switch,router,fiber optic transceivers,optical transceiver,IP phone,internet set-top box,internet camera,net bridge,computer,telecommunication,MODEM,
HomePNA,DSL/ADSL and so on.
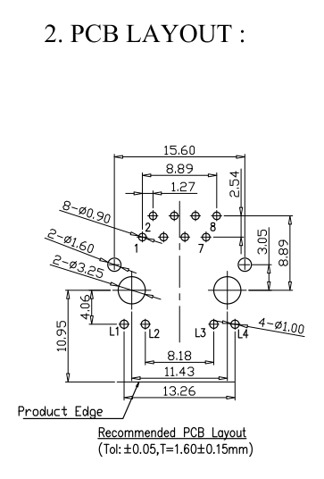
RJ45 Female Connector (TM111B01ABA111048) Mechnical Drawing:





RJ45 Connector with Transformer (TM111B01ABA111048) Description:
10/100Base-Tx RJ45 single port 1X1 with LEDS with Side Entry (Right Angle)
Single port 1X1 Tab-Down RJ45 with internal magnetics
Internal magnetics are 100% electrically tested for HI-POT and functionality
Suitable for CAT5&6 fast Ethernet Cable or better UTP
350uHminimum OCL with 8mA bias current
High performance for maximum EMI suppression
Minimum 1500Vrms isolation per IEEE 802.3 requirement
ROHS-6 peak wave solder temperature rating 230℃
Operating temperarure range :-40℃ to +85℃
Storage temperature range :-40℃ to +85℃