A563M-10S HEAVY HEX NUTS M90 M64 BLACK
Specification
ASTM A563M Heavy Hex Nuts (Metric)
for use with ASTM A325M Bolts

This ASTM A563 and ASTM A563M heavy hex nuts specification covers chemical and mechanical requirements for eight property classes of hex and hex-flange carbon and alloy steel nuts for general structural and mechanical uses on bolts, studs, and other externally threaded parts.
Note 1: Throughout this specification, the term class means property class.
Note 2: Requirements for the four classes 5, 9, 10, and 12 are essentially identical with requirements given for these classes in ISO 898/II. Requirements for Classes 8S and 10S are essentially identical with requirements in an ISO 4775 Hexagon Nuts for High-Strength Structural Bolting with Large Width Across Flats, Product Grade B, Property Classes 8 and 10. Classes 8S3 and 10S3 are not recognized in ISO standards.
1.2 Classes 8S3 and 10S3 nuts have atmospheric corrosion resistance and weathering characteristics comparable to those of the steels covered in Specification A 588/A 588M. The atmospheric corrosion resistance of these steel’s substantially is better than that of carbon steel with or without copper addition. and when properly exposed to the atmosphere, these steels can be used bare (un-coated) for many applications.
1.3 The nut size range for which each class is applicable is given in the table on mechanical requirements.

Notes:
1. The nuts will generally conform to ANSI B18.2.4.1M – Metric Heavy Hexagonal Nuts
2. Thread will conform to class 6H of ANSI B1.13M for Coarse Series
3. Material & Heat Treatment: To achieve mechanical properties of Properties Class 8S or 10S of ASTM A563M.
4. Nuts of Property Class 8S are used with bolts of ASTM A325M – Type 1 (uncoated). Nuts of Property Class 10S are used with bolts of ASTM A325M – Type 1(Zinc– coated) (in general nuts of a higher property class can replace nuts of a lower property class in a joint).
5. In Bolt/Nut assembly, tightening should be done by rotation of nut.
6. Sizes in brackets are non preferred standards.
7. All dimensions are in millimeters.
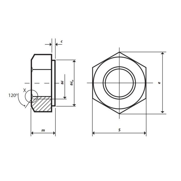
A563M Nut Dimension Classes 8S & 10S

| Nominal size and thread pitch d | S | E | M | dw | C | Total runout of bearing surface | ||||
| Width across flats | Width across corners | Thickness | Bearing face diameter | Washer face thickness | ||||||
| max | min | max | min | max | min | min | max | min | max | |
| M16 x 2 | 27 | 26.16 | 31.18 | 29.56 | 17.1 | 16.4 | 24.9 | 0.8 | 0.4 | 0.47 |
| M20 x 2.5 | 34 | 33 | 39.26 | 37.29 | 20.7 | 19.4 | 31.4 | 0.8 | 0.4 | 0.58 |
| M22 x 2.5 | 36 | 35 | 41.57 | 39.55 | 23.6 | 22.3 | 33.3 | 0.8 | 0.4 | 0.63 |
| M24 x 3 | 41 | 40 | 47.34 | 45.2 | 24.2 | 22.9 | 38 | 0.8 | 0.4 | 0.72 |
| M27 x 3 | 46 | 45 | 53.12 | 50.85 | 27.6 | 26.3 | 42.8 | 0.8 | 0.4 | 0.8 |
| M30 x 3.5 | 50 | 49 | 57.74 | 55.37 | 30.7 | 29.1 | 46.6 | 0.8 | 0.4 | 0.87 |
| M36 x 4 | 60 | 58.8 | 69.28 | 66.44 | 36.6 | 35 | 55.9 | 0.8 | 0.4 | 1.05 |
Process flow
Cold forging
Annealing treatment(if need) ➨ wiredrawing ➨ clod forging ➨ tapping ➨make heat treatment(if need) ➨ Finish ➨ Packing
Hot forging
Cutting material ➨ hot forging ➨ turning ➨ tapping ➨ make heat treatment(if need) ➨ Finish ➨ Packing
Product Grade
A563M 8S A563M 10S
Materials and Chemical compstition
1035
| CHEMICAL COMPOSI % | |||||||
| C | Si | Mn | P | S | Cr | Ni | Cu |
| 0.34 | 0.13 | 0.73 | 0.012 | 0.002 | 0.02 | 0.01 | 0.02 |
10B21
| CHEMICAL COMPOSI % | ||||||
| C | Si | Mn | P | S | Cr | B |
| 0.2 | 0.04 | 0.81 | 0.017 | 0.007 | 0.017 | 0.0021 |
1045
| CHEMICAL COMPOSI % | |||||||
| C | Si | Mn | P | S | Cr | Ni | Cu |
| 0.45 | 0.23 | 0.58 | 0.014 | 0.006 | 0.057 | 0.008 | 0.016 |
40CR
| CHEMICAL COMPOSI % | |||||||
| C | Si | Mn | P | S | Cr | Ni | Cu |
| 0.4 | 0.21 | 0.54 | 0.015 | 0.008 | 0.95 | 0.02 | 0.02 |
35CRMO
| CHEMICAL COMPOSI % | ||||||||
| C | Si | Mn | P | S | Cr | Ni | Cu | Mo |
| 0.35 | 0.22 | 0.59 | 0.01 | 0.003 | 0.93 | 0.01 | 0.01 | 0.21 |
42CRMO
| CHEMICAL COMPOSI % | ||||||||
| C | Si | Mn | P | S | Cr | Ni | Cu | Mo |
| 0.42 | 0.27 | 0.92 | 0.013 | 0.004 | 1.01 | 0.03 | 0.04 | 0.2 |
Finish
BLACK HDG ZP YZP
PACKING
QBH BULK
20-25KG/CTN,36CTNS/PALLET
20-30KG/BAGS,36BAGS/PALLET
ONE TON/BOXES
50KG/ IRON DRUM,12 IRON DRUMS/PALLET
QBH SMALL PACKING
Packing in small boxes according to customer’s requirements
Packing in plastic bag according to customer’s requirements
QBH PALLET TYPE
SOLID WOOD FUMIGATION PALLET
EURO Pallet
THREE SPLINT PALLET
WOODEN BOX
The advantages of QBH
Product application
ASTM A563M Heavy hex Nut specification covers chemical and mechanical requirements for eight property classes of hex and hex-flange carbon and alloy steel.
These nuts for general structural and mechanical uses on bolts, studs, and other externally threaded parts.
Astm A563M Materials shall be tested and the individual grades shall conform to specified values of material such as hardness and proof load, chemical, and mechanical requirements. Classes 8S, 8S3 and 10S, 10S3 nuts have atmospheric corrosion resistance and weathering characteristics comparable to those of the steels. The atmospheric corrosion resistance of these steels is substantially better than that of carbon steel with or without copper addition. When properly exposed to the atmosphere, these steels can be used bare (un-coated) for many applications.
FAQ