Specification
This Japanese Industrial Standard specifies the steel domed cap nuts (hereafter referred to as "steel nuts"), the stainless steel domed cap nuts (hereafter referred to as "stainless steel nuts"), and the copper alloy domed cap nuts (hereafter referred to as "copper alloy nuts"), all for general use for the characteristic.

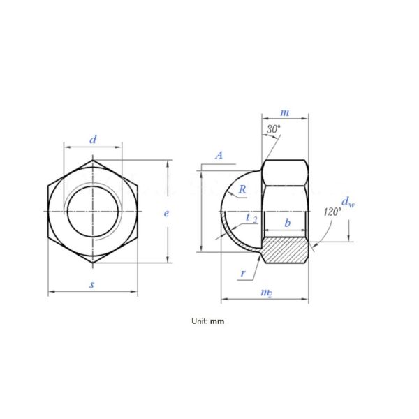
| ①,Type 1 is that the hexagonal part and the cap part are integrated and no undercut is provided, type 2 is that the hexagonal part and the cap part are integrated and an undercut is provided, and type 3 is that the hexagonal part and the cap part are welded together. |
Materials and Chemical compstition
Carbon steel
1008
| CHEMICAL COMPOSI % | ||||||||
| C | Si | Mn | P | S | Cr | Ni | Cu | Al |
| 0.06 | 0.06 | 0.33 | 0.013 | 0.003 | 0.01 | 0 | 0.01 | 0.028 |
1035
| CHEMICAL COMPOSI % | |||||||
| C | Si | Mn | P | S | Cr | Ni | Cu |
| 0.34 | 0.13 | 0.73 | 0.012 | 0.002 | 0.02 | 0.01 | 0.02 |
10B21
| CHEMICAL COMPOSI % | ||||||
| C | Si | Mn | P | S | Cr | B |
| 0.2 | 0.04 | 0.81 | 0.017 | 0.007 | 0.017 | 0.0021 |
1045
| CHEMICAL COMPOSI % | |||||||
| C | Si | Mn | P | S | Cr | Ni | Cu |
| 0.45 | 0.23 | 0.58 | 0.014 | 0.006 | 0.057 | 0.008 | 0.016 |
40CR
| CHEMICAL COMPOSI % | |||||||
| C | Si | Mn | P | S | Cr | Ni | Cu |
| 0.4 | 0.21 | 0.54 | 0.015 | 0.008 | 0.95 | 0.02 | 0.02 |
35CRMO
| CHEMICAL COMPOSI % | ||||||||
| C | Si | Mn | P | S | Cr | Ni | Cu | Mo |
| 0.35 | 0.22 | 0.59 | 0.01 | 0.003 | 0.93 | 0.01 | 0.01 | 0.21 |
42CRMO
| CHEMICAL COMPOSI % | ||||||||
| C | Si | Mn | P | S | Cr | Ni | Cu | Mo |
| 0.42 | 0.27 | 0.92 | 0.013 | 0.004 | 1.01 | 0.03 | 0.04 | 0.2 |
Stainless steel
| CHEMICAL COMPOSI(% ) | |||||||||
| Type | C | Si | Mn | P | S | Ni | Cr | Mo | Cu |
| ≤ | ≤ | ≤ | ≤ | ≤ | ≥ | ≥ | ≥ | ≈ | |
| 201Cu | 0.08 | 1.00 | 7.5-10 | 0.06 | 0.03 | 4.00-6.00 | 14.0-17.0 | 2.0-3.0 | |
| 201 | 0.15 | 1.00 | 8.50 | 0.06 | 0.03 | 3.50-5.50 | 16.0-18.0 | ||
| 202 | 0.15 | 1.00 | 7.5-10 | 0.06 | 0.03 | 4.00-6.00 | 17.0-19.0 | ||
| 301 | 0.15 | 1.00 | 2.00 | 0.045 | 0.03 | 5.00-8.00 | 16.0-18.0 | ||
| 302 | 0.15 | 1.00 | 2.00 | 0.045 | 0.03 | 8.00-10.0 | 17.0-19.0 | ||
| XM7 (302HQ) | 0.08 | 1.00 | 2.00 | 0.045 | 0.03 | 8.50-10.5 | 17.0-9.00 | 3.0-4.0 | |
| 303 | 0.15 | 1.00 | 2.00 | 0.20 | ≥0.15 | 8.00-10.0 | 17.0-19.0 | ≤0.60 | |
| 304 | 0.07 | 1.00 | 2.00 | 0.035 | 0.03 | 8.00-10.0 | 18.0-20.0 | ||
| 304HC | 0.08 | 1.00 | 2.00 | 0.045 | 0.03 | 8.00-10.0 | 17.0-19.0 | 1.0-3.0 | |
| 304M | 0.08 | 1.00 | 2.00 | 0.045 | 0.03 | 8.50-10.0 | 18.0-20.0 | ||
| 316 | 0.08 | 1.00 | 2.00 | 0.045 | 0.03 | 10.0-14.0 | 16.0-18.0 | 2.0-3.0 | |
| 316L (12Ni) | 0.03 | 1.00 | 2.00 | 0.045 | 0.03 | 12.0-15.0 | 16.0-18.0 | 2.0-3.0 | |
| 316L (10Ni) | 0.03 | 1.00 | 2.00 | 0.045 | 0.03 | 10.0-14.0 | 16.0-18.0 | 2.0-3.0 | |
| 321 | 0.08 | 1.00 | 2.00 | 0.045 | 0.03 | 9.00-13.0 | 17.0-19.0 | Ti≤5*C% | |
| 2520 | 0.08 | 1.00 | 2.00 | 0.035 | 0.03 | 19.0-22.0 | 24.0-26.0 | ||
Carbon steel surface
PLAIN ZP YZP BLACK HDG DACROMET GEOMET CHROME NICKEL AND SO ON
PACKING
QBH BULK
20-25KG/CTN,36CTNS/PALLET
20-30KG/BAGS,36BAGS/PALLET
ONE TON/BOXES
50KG/ IRON DRUM,12 IRON DRUMS/PALLET
QBH SMALL PACKING
Packing in small boxes according to customer’s requirements
Packing in plastic bag according to customer’s requirements
QBH PALLET TYPE
SOLID WOOD FUMIGATION PALLET
EURO Pallet
THREE SPLINT PALLET
WOODEN BOX
MECHANICAL PROPERTY
| Mechanical properties | Testing method |
| Proof load stress | Conform to 8.1 of JIS B 1052-2 |
| Hardness | Conform to JIS Z 2243,JIS Z 2244 or JIS Z 2245 |
The advantages of QBH
Product Description
The Acorn Center Lock nut machined from bar or if volumes and size allow, can be cold formed. Acorn locknuts are produced by installing 2 deflections in opposite flats precisely in the center the nut hex. Low Profile Acorn locknuts are not required to meet the thread start or torque requirements of Full Hex Center locknuts.
Applications
The Acorn locknut is used for either decorative purposes and/or to protect from scratches when surfaces would otherwise encounter exposed screw threads. Acorn Center locknuts are typically found in furniture, medical and recreational vehicle assemblies. Mating parts must extend at least one thread past the locking element to assure locking element engagement.