7498111123 1000BASE-T THR Mount RJ45 Connector Overview
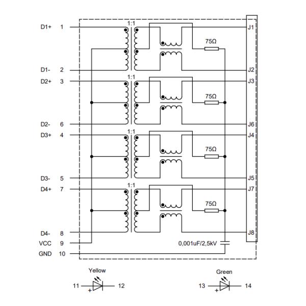
The WE-RJ45LAN series 7498111123 RJ45 connectors with 1000BASE-T integrated magnetics are designed for seamless and efficient integration into Ethernet interfaces. The 7498111123 model, specifically engineered for Through Hole Reflow (THR) soldering, combines an RJ45 connector with an integrated transformer and common mode choke. This compact design is approximately 50% smaller than discrete magnetics solutions, significantly saving valuable board space while ensuring compliance with IEEE 802.3 and IEC 62368-1 standards.
Electrical Properties:
| Parameter | Specification |
| Inductance (L) | 350 µH min (100 kHz / 100 mV / 8 mA) |
| Insulation Test Voltage (Viso) | 2250 VDC |
| Insertion Loss (IL) | -1 dB max (1–100 MHz) |
| Return Loss (RL) | -16 dB min (1–30 MHz) -14 dB min (30–60 MHz) -12 dB min (60–80 MHz) -10 dB min (80–100 MHz) |
| Crosstalk (CT) | -33 dB min (1–60 MHz) -30 dB min (60–80 MHz) -30 dB min (80–100 MHz) |
| Common Mode Rejection Ratio (CMRR) | -33 dB min (1–30 MHz) -30 dB min (30–60 MHz) -30 dB min (60–80 MHz) -30 dB min (80–100 MHz) |
| Turns Ratio | 1:1 |
| Data Rate | 1000BASE-T |
General Information:
| Parameter | Specification |
| Operating Temperature | -40°C to +85°C |
| Storage Conditions (in original packaging) | < 40°C; < 75% RH |
| Moisture Sensitivity Level (MSL) | 1 |
| Mating Cycle | 750 cycles |
Material Properties:
| Component | Material / Plating |
| Plastic Housing Material | Thermoplastic LCP, Black |
| Flammability Rating | UL94 V-0 |
| Shielding Material | Brass |
| Shielding Plating | 30µ" Nickel |
| Contact Material | Phosphor Bronze |
| Contact Plating | 30µ" Gold over 50µ" Nickel |
Key Features:
- Integrated Magnetics: Features an integrated transformer and common mode choke for simplified Ethernet interface design.
- High Mechanical Stability: Enhanced mechanical stability provided by Through Hole (THT) pins, suitable for Pin-in-Paste soldering processes.
- Optimized Thermal Performance: Extra high standoff design promotes excellent thermal airflow, contributing to reliable operation.
- High Temperature LEDs: Equipped with high-temperature LEDs for reliable visual indication.
- IEEE 802.3 Compliance: Fully compliant with IEEE 802.3u, IEEE 802.3ab, and IEEE 802.3af/at standards for 10/100/1000 Base-T Ethernet applications.
- Global Certification: cURus certified, ensuring suitability for worldwide use.
- High-Quality Contacts: Features 30 µinch gold plating on contacts for superior electrical conductivity and long-term durability.
7498111123 Datasheet:



Related Part
| 0811-1X1T-02 | XRJK-U-08-8-8-0-3Y4 | XTFZ-DHS1601CC1 | LPJ47212CNL | | 0811-1X1T-03 | XMM-S-01-A-A-0-9L4 | XTFZ-DHS1602CC1 | LPJ47312A43NL | | 0811-1X1T-06 | XMM--0-C-A-2-0-PB-0 | XTFZ-DHS1603CC1 | LPJ47312A48NL | | 0811-1X1T-12 | XMM-01-0-C-U-2-0-PB-0 | XTFZ-DHS1604CC1 | LPJ47403AWNL | | 0811-1X1T-22 | XMM-SC511-5521-8P8C-X | XTFZ-DHS1605CC1 | LPJ47408A31NL | | 0811-1X1T-27 | XMM-5611-88-101-532 | XTFZ-DHS1606CC1 | LPJ47408AGNL | | 0811-1X1T-36 | XMM-9714-8812-S3-0-IM | XTFZ-DHS1607CC1 | LPJ47408AHNL | | 0811-1X4T-03 | XMM-9714-8813-S3LE-M-IM-2 | XTFZ-DHS1608CC1 | LPJ47408CNL | | 0811-1X4T-04 | XMM-9714-8813-L2-E-IM | XTFZ-DHS1609CC1 | LPJ48001A7NL2 | | 0811-1X4T-06 | XMM-9714-8814-S3L2-M-IM-YL1 | XTFZ-DHS1610CC1 | LPJ48001AZNL2 | | 0811-1XX1-01 | XMM-9714-6613-S3-LFG | XTFZ-DHS1611CC1 | LPJ48002A34NL | | 0811-1XX1-02 | XMM-TRJE101BGNL | XTFZ-DHS1612CC1 | LPJ49011KONL | | 0811-1XX1-03 | XMM-TRJE101AHNL | XTFZ-DHS1613CC1 | LPJ16011ADNL | | 0811-1XX1-12 | XMM-XA5JB1-88-125111 | XTFZ-DHS1614CC1 | LPJ16012DNL | | 0811-1XX1-22 | XMM-TRJE101CNL | XTFZ-DHS2401CC1 | LPJ16016A28NL | |