Quick Details
Adapt To 100 Base-T Ethernet
Single port, Multi-port and Stackable configurations (Thru-hole)
Reduces the number of components to be placed on the board
Frees up board space and offers signal protection
Noise reduction in the Ethernet network analyzer system
Improved reliability and optimal system performance
Benefits of having shorter signal paths and the reliability gains from systems containing fewer components
Helps manufacturers reach their goals of cost reduction
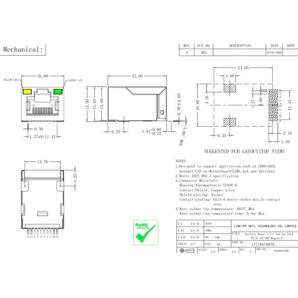
Specifications
| 
 Characteristics 
 
 | 932040 SMT RJ45 Connector To PCB Board Solution Across LPJ19434BHNL | 
| 2)SMD,THT and THT with USB | |
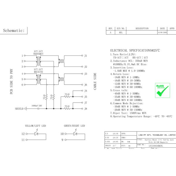
| 3)350μH min,OCL with 8mA bias | |
| 4)Complies with IEEE 802.3 | |
| 5)Extended temperature range 0°c~70°c ( or -40°c~+85°c ) available | |
| 6)PoE/PoE+ (350mA~720mA) | |
| Operation/Application | ×DSL Modems | 
| EMbedded PC | |
| LAN Applications | |
| Hub,Router,Switches | |
| AVR,DVR | |
| Electrical Characteristics | |
| Shielded | with/without | 
| Termination Features | |
| EMI Finger | with/without | 
| Termination Method | Solder | 
| Body Features | |
| LED | with/without | 
| EMI Fingers - Top and Sides | with/without | 
| Latch Orientation | Tape UP/Down | 
| PCB Tail Length | 3.5±0.5mm | 
| Height Above Board | Optional | 
| Contact Features | |
| Preloaded | YES | 
| Contact Termination Type | Through Hole | 
| Connector Style | Jack | 
| Cores Number | 8 | 
| Industry Standards | |
| Lead Free Solder Process | Wave solder capable to 265°c | 
| RoHS/elv Compliance History | Always was RoHS Compliant | 
| Conditions for Usage | |
| Applies To | Printed Circuit Board | 
| Environmental Conditions | Office / Premises | 
| Operating Temperature(°c) | 0°c~70°c / -40°c~+85°c | 
| Other Features | |
| Magnetic Circuit | 3D15 | 
| Status Indicator | LED | 
| Left LED Color | Optional | 
| Right LED Color | Optional | 
| Decoupling capacitor | with/without | 
| Rear PCB Ground Tab | with/without | 
| Singal Lead Quantity | 8 | 
| Datasheets | E-mail Inquiry to Summer@link-PP.com | 
| Others Name | LPJ19434BHNL(LPJ19434BINL) | 
LINK-PP RJ45 Designed for BeagleBone Black of Texas Instrument
http://www.ti.com/tool/beaglebk#0
a low-cost, open source, community-supported development platform for ARM® Cortex™-A8 processor developers and hobbyists.
LINK-PP ------------ The Appointed Supplier And Supporter Of Embedded System for Ti

 
 