Customized 2pin male and female magnetic power connector with USB cable for headset.
UPE is professional magnetic connector & magnetic cable connector manufacturer.
We have our own professional designers to meet any of your requirements and provide magnetic connector customization service. Different magnetic pogo pin connector products and solutions can be designed according to different customer needs.
Material and coating conform to ROHS and REACH standards.
2Pin magnetic cable connector:
Materials:
The metal needle part is plated with gold on the brass surface;
The hard plastic material is made of HTN+30%UL94 V-0 black, which can withstand high temperatures.
The magnet adopts high-performance permanent magnet neodymium iron boron;
Black TPE 80A outer mold of the joint;
Wire OD3.5mm 2C(red and black: 65*0.08)
Covered with black TPE
USB: stainless steel shell USB2.0.
Mechanical properties:
Spring force: 80g ±20g at 1.0 working height,
Service life: 50,000times minimum.
Spring force: 80g ± 20g at 1.0 working height,
Service life: 50,000times minimum.
Electrical properties:
Reference voltage:12V,
Continuous working current: 3.0A;
Maximum momentary current: 4.0A maximum;
Contact static impedance of the needle: 50mΩ Max (PIN).
Product Introduction and Dxplaination:
The product adopts environmental protection materials,ROHS, REACH;
The adhesive force of the magneticmale and female docking is more than 550G.
Product anti-short-circuit structure design;
Polarity and electrical direction are clearly identified.
2Pin female magnetic connector:
...Materials:
The yellow metal needle part is gold-plated with brass surface;
The plastic material is HTN+30% UL94 V-0 black,which can withstand high temperatures.
The magnet adopts high-performance permanent magnet neodymium iron
Reference voltage:12 V,
Continuous working current: 3.0A;
Contact static impedance of the needle:50mΩ Max (PIN).
...Product introduction and explaination:
The product adopts environmental protection materials, ROHS,REACH;
High voltage test:AC1000V0.5mA 3SEC / DC 1000V 0.5mA 3 SEC.
The attraction force of the magnetic male and female docking is more than 600G.
Product anti-short-circuit structure design;
Polarity and electrical direction are clearly identified.
(The magnet can be coated with epoxy resin, and the salt spray test can pass 48hours.)
...Product application explaination (not limited to the following):
1. The PCB board can be soldered with a plug-in;
2. After soldering, the board can be molded and coated;
3. The PCB board can be connected with a terminal;
4. The mold can be molding and injection molding;
5. The wire can be directly soldered.
2Pin Male Magnetic Cable Connectors & Magnetic Connector Parameter:
| Name | Magnetic Cable Connector |
| Type | Male/Female |
| Pin | 2pin |
| Cable | TPE |
| Cable length | 1000mm |
| Color | Black |
| Pogo pin | Brass 0.125 um Auover 1.5um~2.5um Ni |
| Female pin | Brass 0.125 um Auover 1.5um~2.5um Ni |
| Shell | SUS304 |
| Insulator | Black High Temperature Resistant Plastics |
| Magnet | NdFeB N52 1.5um~2.5um Ni |
| Spring force | 80g±20g,at 1.0mm working storke. |
| Mechanical life | 50000 cycle Min.. |
| Magnetic force | 600g |
| Current | 3.0AMax |
| Voltage | DC12V |
| Contact resistance | 50mΩ Max (PIN). |
| Operation Temperature | 25℃to +60℃ |
| Salt spray test | 24H |
| Certification | ROHS or REACH compliant product |
| Test | 100% open and short test |
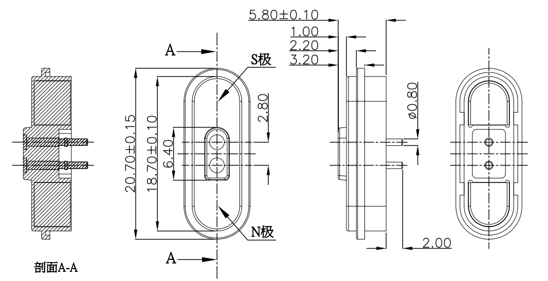
2Pin Magnetic Cable Connector Technical Drawing

2Pin Magnetic Connector Technical Drawing

Advantages of Magnetic Connector:
●Humanize design of automatic adsorption connection experience;
●Humanized anti-fall: it is easy to remove from the charging interface, and it is not easy to remove the device;
●Life time: up to 100,000-200,000cycle;
●Waterproof design: the female end of the device can be dustproof and waterproof (IPX8);
●Fast charging time: 5A-10A magnet connector design withstands large current transmission;
●The appearance of the magnetic connector can be matched according to the design of the customer's application device;
●Product anti-short circuit structure design and foolproof;
●Realize high frequency signal transmission,can replace the traditional USB2.0 HDMI 1.3 function Video&Audio signal transmission
Magnetic connector products application:
1.Wearable devices, intelligent positioning equipment, children's smart wristbands, smart watches, wearable mobile phones,Bluetooth headsets, etc.) data cable, charging cable, magnetic strip wire end connection
2.Medical equipment,wireless equipment,data communications equipment,telecommunication equipment,Automation and industrial equipment,audio-visual equipment
3.Aviation ,aerospace electronic,military communication
4.Automotive,car navigation,test and measurement equipment
5.Consumer Electronics(mobile phones,tablet computers,Bluetooth headsets,camera,watch,portable consumer electronic products and many other electronic fields.)
Why UPE shall be your partner?
1.Specialized Expertise in Magnetic Connectors
●Focused R&D: UPE has dedicated experience in magnetic connectors
●Customization: UPE can tailor magnet strength, pin plating (gold/nickel for ≤50mΩ resistance), and housing materials (black PBT/nylon) to your needs.
2. High Durability & Compliance
●10,000+ Cycles Guaranteed: Their connectors likely undergo rigorous testing to meet your mechanical life demand.
●Certifications: Compliant with UL, or RoHS standards—critical for consumer/medical markets.
3. Competitive Manufacturing
●Cost-Effective Tooling: UPE may offer low MOQs (e.g., 1K–5K units) with competitive pricing for small-to-medium batches.
●Quality Control: In-house testing for contact resistance, pull force, and current load to ensure reliability.
4. Fast Prototyping & Support
●3D Samples in Days: Rapid prototyping for fit/function checks
●Engineering Support: Assistance with pinout optimization, EMI shielding, or waterproofing (IP68).
How to Place Your Magnetic Cable Connector Order with UPE
1. Submit Your Requirements
Contact our sales team via:
Email: [union@upetech.net]
Phone: [+86 13434524996]
Online Form: [www.pogopinsconnector.com]
Provide details:
✔ Application (e.g., medical, automotive, consumer electronics)
✔ Connector type (e.g., magnetic pogo pin, charging cable)
✔ Specifications (voltage, current, size, waterproof rating, etc.)
✔ Quantity & lead time
2. Get a Custom Solution (If Needed)
Our engineers will review your needs and propose a custom design (if required).
We’ll share 3D models, samples, or technical drawings for approval.
Payment Term:
50% Deposit (Paid upfront): Covers production costs (materials, labor).
50% Balance (Paid before shipment): Ensures quality control and commitment from both parties.
Payment method:
T/T (Bank Transfer),PayPal ,OCBC Bank
Recommendation:
Use PayPal for samples (safer).
Use T/T for bulk orders (lower fees).
Sample Lead Time: Inventory sample 2-3Working day/customized sample 5-7Working day
Production Lead Time:10-15Working day
Made For: America,Europe,Asia,South African
Trade Term: EXW
Freight: Air,Sea,Express
Service: High quality with reasonable price, OEM service, any special size, color, designs are acceptable
Shipping
