1A Rounded 2pin magnetic USB charging cable connector for electronic locks.
Key Features:
Magnetic Attachment – Automatically snaps into place when brought near the port, reducing wear on the device’s socket.
Reversible Design – Often works in any orientation (no "right side up").
Quick Disconnect – Safely detaches when pulled, preventing cable or device damage.
Variants Available:
Charging-only (for power transfer).
Common Uses:
Smartphones, tablets, wearables.
LED lights, drones, and other electronics.
Medical or industrial devices where secure connections are crucial.
Materil and coating conform to ROHS and REACH standards.
To ensure contact mechanica llife,NEVER compress pogo-pin OVER defined working stroke in drawing,which may damage the inside spring.
Materials:
Pogo pin/Female pin: Brass C3604,Plunger&Barrel plating 5U" Min Au over 60~100U"Ni min;
Copper: Brass C3604, plating 3U"
Spring:SUS 304Au;
Housing: Black HTN+30%UL94 V-0 black, which can withstand high temperatures
Shell: Brass plating Ni&SUS304;
Magnet: NdFeB N52 plating Ni;
USB2.0: USB/AM Integrated type (with overload and short-circuit protection of 12V 1A)
Inner mold material: PE
Cable Tie:White PVC Metal elliptic cable tie White
Wire: 26AWG Black TPE
Magnet Plug: Magnetic Male Plug
Mechanical:
-Contact force:40g±10g at 0.6mm working storke
-Life test:10,000cycle
-Adsorption force test:The female docking adsorption is 300g±20%
Electrical:
-Rated voltage:DC12V;Rated voltage:1AMax.
-Contact resistance of spring pin:50milliohm Max.
Environmental performance:
-Operation Temperature:-25℃ to +80℃
-SaltSpray:48H
Circular 2Pin Male Female Magnetic Connectors Parameter:
| Name | Magnetic Cable Connector |
| Type | Male/Female |
| Pin | 2pin |
| Wire | TPE |
| Cable length | 500±20mm |
| Color | Black |
| Pogo pin/TurningParts | Brass Plating Au 0.125um |
| Magnet | N52 NdFeB Plating Ni 15-20um |
| Housing | Black HTN UL94V-0 |
| Spring force | 40g±10g,at 0.6mm working storke. |
| Mechanical life | 10000 cycle Min.. |
| Current | 1AMax |
| Voltage | DC 12V |
| Contact resistance | 50mΩ Max (PIN). |
| Operation Temperature | -25℃to +80℃ |
| Salt spray test | 48H |
| Certification | ROHS or REACH compliant product |
| Test | 100% open and short test |
Circular 2Pin Cable Connector Technical Drawing

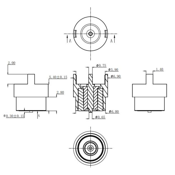
Circular 2Pin Female Magnetic Connector Technical Drawing

Recommended pcb layout

Decompose the view of female magnetic connector

Circular 2Pin Magnetic Cable Connector Mnode of Connection

Packaging view:

Advantages of Magnetic Connector:
●Humanize design of automatic adsorption connection experience;
●Humanized anti-fall: it is easy to remove from the charging interface, and it is not easy to remove the device;
●Life time: up to 100,000-200,000cycle;
●Waterproof design: the female end of the device can be dustproof and waterproof (IPX8);
●Fast charging time: 5A-10A magnet connector design withstands large current transmission;
●The appearance of the magnetic connector can be matched according to the design of the customer's application device;
●Product anti-short circuit structure design and foolproof;
●Realize high frequency signal transmission,can replace the traditional USB2.0 HDMI 1.3 function Video&Audio signal transmission
Products application:

FAQ
1.Why choose us ?
With 100% sincerity,our company will provide the best service for you whatever products or after sales.We will provide the most reasonable quotation and design high quality samples according to your drawings or requirements.We provide guarantee for every customer after sale.
2.Can you customize products for us?
We are very pleased to customize for you or design for you. Please provide us your drawing or samples, and tell us your special requirements about the products. We can customize as soon as possible according to your requirements.
3.How much will the sample cost?
If stock items, we provide samples to customers free of charge, but you should bear the freight.
If customize iterms, we will charge for properly cost and refund reasonable proportion of sample fee when you have order for us!
4.What about your delivery time?
The delivery time depends on the quantity and difficulty of the customer's order.Usually, the stock goods delivery within 3 days while customized products delivered within 2 week.
5.How bout your company quality control?
We will test and inspect the products to ensure the quality of the products to obtain your satisfaction.Quality is the most important in our company, from material to delivery, all will be double checked and company get IS09001 to ensure this.
How to place the magnetic cable connector order
* Identify Your Requirements(Type of Connector,Quantity Needed,Customized requirements,Technical Specifications)
*Negotiate pricing & terms (bulk discounts may apply).
*Confirm order details (connector type, quantity, customization).
*Make payment (via PayPal, bank transfer, or other secure methods).
*Shipping & Quality Check
*Track the shipment.
*Inspect the product upon arrival to ensure quality.
Payment Term: T/T,50% Deposit,50% Balance
Payment method: T/T,PayPal,OCBC
Sample Lead Time: Inventory sample 2-3Working day/customized sample 5-7Working day
Production Lead Time:10-15Working day
Made For: America,Europe,Asia,South African
Trade Term: EXW
Freight: Air,Sea,Express
Service: High quality with reasonable price, OEM service, any special size, color, designs are acceptable
Shipping

Any question, please send to union@upetech.net