A single-channel slip ring designed for lossless HD video transmission in harsh environments
| Features | Applications |
| • 5 gf·cm torque—negligible load on drives | • High-speed pan/tilt and PTZ cameras |
| • 50-million-revolution life, 300 rpm, IP54 shock/dust proof | • Industrial robot vision systems |
| • Broadcast-grade, loss-free: precious-metal contacts + RG316 | • Special-vehicle electro-optical masts |
| coax eliminate attenuation and EMI |

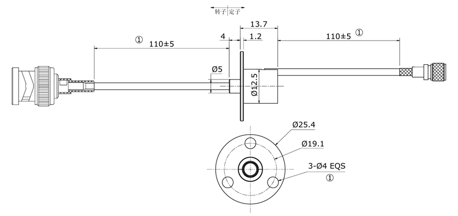
| Model | HD-SDI | OD x L inch(mm) | Circuits | Voltage | Total rings |
| PSR-M6-HF01 | 1 Channel RG-179(75Ω) HD-SDI | 0.49″ x 0.54″ (12.5 x 13.7) | 1A | 48VDC | 1 |
| Specifications | |
| Insulation Resistance | 20MΩ@200VDC |
| Electrical Noise | Max. 20mΩ |
| Dielectric Strength | 200VAC@50Hz |
| Torque | Max. 5gf.cm |
| Speed | 300rpm |
| Lifetime | 5 million revolutions |
| Working Temperature | -40℉ to +176℉(-40℃ to +80℃) |
| Storage Temperature | -40℉ to +176℉(-40℃ to +80℃) |
| Relative Humidity | 90% |
| Protection Level | IP54 |
| Contact Material | Precious Metal |
| Housing Material | Aluminum Alloy |
| Lead Wire | RG316 coaxial cable |