High Power Slip Rings Supprting Multi-Module Integrations And Applications Operating Greater Than 500V
High Power Slip Ring
Panlink’s high power slip rings are the perfect choice for the applications operating greater than 500V, such as Wireline logging, mining cranes, etching machines, x-ray, ultra-sonic welding, cable reels, and downhole applications. As the electrification of instruction machinery accelerates, Panlink has partnered with global leading customers to help achieve their goals-leveraging over 20 years of experience in advanced slip rings.
| Features | Applications |
| • Current up to 500A | • Wind Power Generation |
| • Many combinations | • Port Machinery & Heavy-Duty Cranes |
| • Easy mounting | • Large Construction & Mining Equipment |
| • Remain unaffected by machine vibration | • Non-Ferrous Metal Smelting (Electrolysis) |
| • Deliver clean electrical signals for both power and | • Papermaking & Printing Machinery |
| data, with no measurable noise | • Defense & Marine |
| • Test Equipment & Experimental Rigs |
| High Power Slip Ring | |||||||||
| Model | Channels | Voltage | Size | ||||||
| Power Module | Electrical Signal Module | 100M Ethernet | G bit Ethernet | Can-open | RF | FORJ | Dia x L (mm) | ||
| PSR-TS-5P146S2E-4R3 | 5x100A | 146 | 2 | 500VAC/200VDC | 300x1043 | ||||
| PSR-T38S-5P(100A)156S | 5x100A | 146 | 2 | 500VAC/200VDC /24VDC | 179x616 | ||||
| PSR-T38S-8P(100A)162S-4RC-FORJ2 | Power1:8x100A Power2:12x1A | 102 | 5 | 2 | 380VAC/270VDC /220VAC/24VDC | 250x974.3 | |||
| PSR-TS-4P(200A)95S2G-2RF | 8x100A | 79 | 18 | 2 | 220VAC | 190x379 | |||
| PSR-T50-2P(50A)2P(40A)29S-2G | Power1: 6x17A Power2: 4x20A | 23 | 16 | 300VDC | 100x251 | ||||
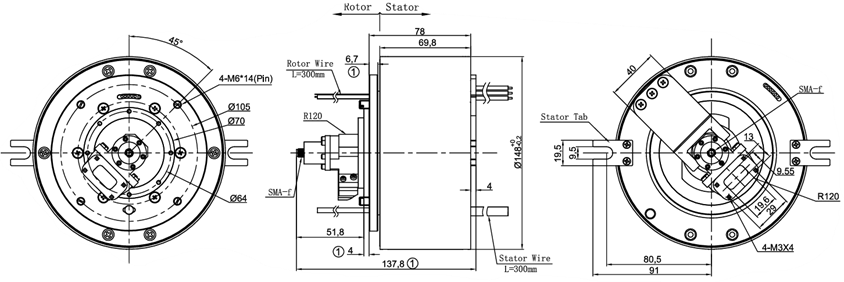
| PSR-T80-6P4S-RW | 6x10A | 4 | 380VDC/VAC | 148x137.8 | |||||
| Remark: Remark: All above configurations are fully customizable. | |||||||||

| Specification | |
| Model | PSR-TS-5P146S2E-4R3 |
| Circuit | 161 |
| Voltage | 500VAC / 200VDC |
| Current | Power Module: 5x100A Signal Module: 146x5A Video Signal: 2x100Mbit Ethernet |
| Insulation Resistance | 500MΩ@500VDC |
| Contact Resistance | 40mΩ @ 6VDC 5RPM max |
| Dielectric Strength | 1000VAC@50Hz/500VAC@50Hz |
| Operating Speed | 300rpm |
| Torque | <1N*M |
| Life time | 50 million revolutions |
| Contact Material | Precious Metal |
| Lead Wire | Teflon Wires, CAT5E |
| Housing Material | Aluminium Alloy |
| Working Temperature | -20℃~+80℃ |
| Storage Temperature | -25℃~+85℃ |
| Humidity | 95±3%(30℃+5℃) |
| Protection Level | IP54 |
| Pneumatic Rotary Joint Specifications | |
| Channel | 4×G3/8" on rotor; 4×G3/8" on stator |
| Media | 2×inert gas; 2×hydraulic oil |
| Speed | 100rpm |
| Pressure | Inert gas 15 MPa; Hydraulic oil 25 MPa |
| Operating Temperature | -10 °C to +80 °C |
| Housing Material | Aluminum alloy |
| Torque | 50 N.m |

| Specification | |
| Model | PSR-T38S-5P(100A)156S |
| Circuit | 166 |
| Voltage | 500 VAC / 200 VDC / 24 VDC |
| Current | Power Module: 5 circuits × 100 A Signal module: 146 circuits × 5 A, plus 5 spare circuits×5A; Video module: 2 groups × (4+1 shield) Ethernet signals |
| Insulation Resistance | Power ≥500 MΩ @ 1 000 VDC Signal ≥200 MΩ @ 500 VDC |
| Contact Resistance | ≤20 mΩ |
| Dielectric Strength | Power 1 000 VAC @ 50 Hz; Signal 500 VDC @ 50Hz |
| Operating Speed | 300rpm |
| Torque | ≤0.5 N.m |
| Life time | 50 million revolutions |
| Contact Material | Precious Metal |
| Lead Wire | Teflon Wires |
| Housing Material | Aluminium Alloy |
| Working Temperature | -20℃~+80℃ |
| Storage Temperature | -25℃~+85℃ |
| Humidity | 95±3%(30℃+5℃) |
| Protection Level | IP54 |
| Vibration Resistance | 10–30 Hz, 0.8 mm double amplitude |
| Shock Resistance | 30 g, 11 ms, half-sine; 3 shocks vertical + 3 shocks horizontal; 30–200 Hz, 2 g acceleration, two cycles,30 min total |

| Specification | |
| Model | PSR-TS-5P146S2E-4R3 |
| Circuit | 8 power + 162 signal + 12×1 G-Ethernet (optical electrical) |
| Voltage | 500VAC / 200VDC |
| Current | Power Module: 8x100A Signal Module: 102x5A |
| Insulation Resistance | Power ≥500 MΩ @ 1 000 VDC Signal ≥200 MΩ @ 500 VDC |
| Contact Resistance | ≤20 mΩ |
| Dielectric Strength | 1000VAC@50Hz/500VAC@50Hz |
| Operating Speed | 50rpm |
| Starting Torque | <50N*M |
| Working Torque | <35N*M |
| Life time | 50 million revolutions |
| Contact Material | Precious Metal |
| Lead Wire | Teflon Wires |
| Housing Material | Aluminium Alloy |
| Working Temperature | -20℃~+80℃ |
| Storage Temperature | -25℃~+85℃ |
| Humidity | 95±3%(30℃+5℃) |
| Protection Level | IP54 |
| Pneumatic Rotary Joint Specifications | |
| Channel | 2×G3/8 oil + 1×G3/8 air |
| Media | Oil ≤25 MPa; Air ≤15 MPa |
| Speed | 50rpm |
| Pressure | Oil ≤25 MPa; Air ≤15 MPa |
| Operating Temperature | -20 °C to +80 °C |
| Housing Material | Aluminum alloy&SUS304 |

| Specification | |
| Model | PSR-TS-4P(200A)95S2G-2RF |
| Circuit | 126 |
| Voltage | 220VAC |
| Current | Power Module: 8x100A Signal Module: 102x5A |
| Insulation Resistance | >200 MΩ @ 500 VDC |
| Contact Resistance | <100 mΩ |
| Dynamic resistance variation | Max 20mΩ |
| Dielectric Strength | 1000VAC@50Hz, 60s |
| Operating Speed | 15rpm |
| Lifetime | 2 million revolutions |
| Torque | <0.5N*M |
| Contact Material | Precious Metal |
| Lead Wire | Teflon Wires |
| Housing Material | Aluminium Alloy |
| Working Temperature | -20℃~+55℃ |
| Storage Temperature | -30℃~+70℃ |
| Humidity | 95±3%(30℃+5℃) |
| Shock Vibration | AS PER MIL-STD-810G |
| Protection Level | IP65 |


| Specification | |
| Model | PSR-T50-2P(50A)2P(40A)29S-2G |
| Circuit | 58 |
| Voltage | 300VDC |
| Current | Power1: 6 rings Power2: 4 rings Signal: 23 rings 1 GB Ethernet: 16 rings |
| Insulation Resistance | >100 MΩ @ 500 VDC |
| Contact Resistance | <100 mΩ |
| Dielectric Strength | 500VAC@50Hz, 60s |
| Operating Speed | 25rpm |
| Torque | <0.5N*M |
| Contact Material | Precious Metal |
| Lead Wire | Teflon Wires |
| Housing Material | Aluminium Alloy |
| Working Temperature | -25℃~+50℃ |
| Storage Temperature | -25℃~+60℃ |
| Humidity | 95±3%(30℃+5℃) |
| Shock Vibration | AS PER MIL-STD-810G |
| Protection Level | IP54 |

| Specification | |
| Model | PSR-T80-6P4S-RW |
| Circuit | 11 |
| Voltage | 380VDC/VAC |
| Current | Power: 6 rings Ethernet 100Base-T: 4 rings |
| Insulation Resistance | >500 MΩ @ 500 VDC |
| Electrical Resistance | 20mΩ |
| Dielectric Strength | 500VAC@50Hz, 60s |
| Operating Speed | 300rpm |
| Torque | <0.2N*M |
| Contact Material | Precious Metal |
| Lead Wire | Teflon Wires |
| Housing Material | Aluminium Alloy |
| Working Temperature | -40℃~+80℃ |
| Storage Temperature | -45℃~+85℃ |
| Humidity | 95±3%(30℃+5℃) |
| Vibration | 10~30HZ Frequency, Double amplitude 0.8mm total 30 min |
| Protection Level | IP51 |