RS-485 version 24G MMWAVE Presence and motion detectors with flush mounting
1. Parameters
| Input/Output | Input voltage | 12-24V DC |
| Rated voltage | 24V DC | |
| Working Current | @12Vdc:80±3mA @24Vdc:42±3mA | |
| Working Power | ≤1.2W @24V DC | |
| Output signal | RS-485 (factory setting is data report mode, and you can switch to data inquiry mode by Merrytek WeChat mini program) | |
| Load type | Data report/data inquiry | |
| Sensor Parameter | Radar frequency | 24GHz -24.25GHz,ISM band |
| Transmitting Power | 5mW Max. | |
| Detection Area | 0-4m(setting by merrytek mini program) | |
| Hold Time | 3-7200s (setting by Merrytek mini program). Remark: For better presence detection, the hold time shall be set to>30S | |
| Daylight threshold | 5-2000Lux(setting by merrytek mini program,when value set as 2000lux,daylight sensor is disabled) | |
| Daylight sensor range | 0-2000Lux | |
| Radius detection range (based on 4m gear and medium sensitivity) | major/minor/micro movement(3m height installation): 4±0.5m(based on 41㎡ open area test and might change due to different space) | |
| Sensitivity | high/medium/low | |
| Remote control | Unavailable | |
| Merrytek mini program | Available | |
| Mounting height | 2.5-4.0m typical value: 3m | |
| Detecting Angle | 120° | |
| Application Environment | Drill hole | Φ50-55mm |
| Working Temperature | 0℃...+50℃ | |
| Storage Temperature | -25℃~+80℃ Humidity:≤85% (non-condensation) | |
| Certificate Standard | Certificate | FCC/RED |
| Environmental Requirement | Compliant with RoHS | |
| IP Rating | IP20 | |
| Guarantee | 5 year(only for product quality problem) | |
| Note: "N/A" means not available | ||
2. Product Function

3. Dimension

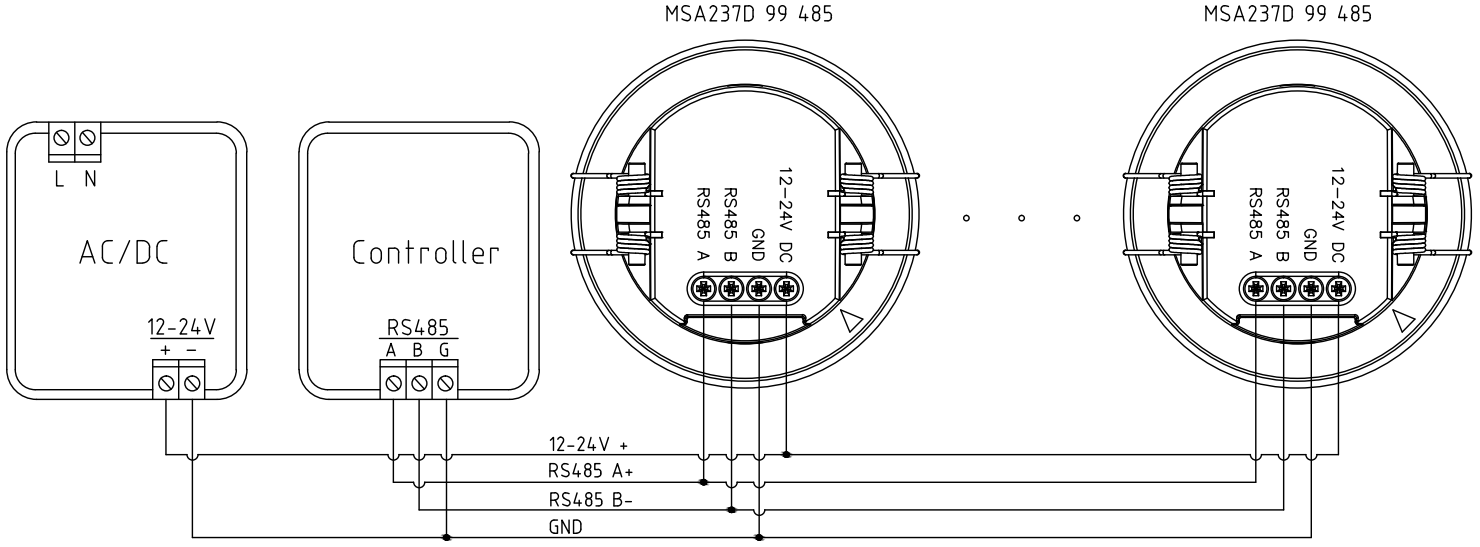
4. Wiring

Wiring layout suggestion:
1. Hand-in-hand wiring is highly recommended, yet star-topology or tree-topology is strongly deprecated
2. RS-485 layout wire length shall not be longer than 300m, and 12 pcs of sensors is the maximum quantity layout in one circuit
3.4-pin shield wire or class 6 network wire is highly recommended for the layout
4. Our sensor doesn’t have terminal resistance. If there’s an impedance matching problem in the RS-485 bus, we recommend connecting 2 pieces of 120Ω resistance in the terminal
5. Detection

6. Initialization
When powered on, the sensor indicator will stay on for 15s for recognizing the application room size, after that sensor will enter a 10s flashing self-checking phase, after that, it will enter a 20s detection cycle, if's presence is detected, the sensor will report absence. During initialization, the sensor will not detect a moving signal, and you can use the Merrytek WeChat mini program to adjust the detection area,hold time, daylight sensor, etc, parameters.
7. Installation Instructions
Embedded mounting installation

8. Factory Default Setting
Detection Area: 4m Hold Time: 30S Indicator Light: open Sensitivity: medium sensitivity
9. RS-485 Protocol
Details can be find on the specs.