Hydraulic coupling Iron Cast Roots Vacuum Pump 2590 m3/h, BSJ600LC,Army Green
Description
The roots vacuum pump, also known as a roots blower, is a positive-displacement pump that operates by using two synchronized lobed rotors (shaped like "roots") to transfer gases and create vacuum conditions. Its core function is to efficiently increase the pumping speed in the medium to high vacuum range, often used in conjunction with a backing pump (such as a rotary vane pump) to form a compound vacuum system. Below are its specific functions and application characteristics:
Characteristics:
- The use of an oil-free intermediate seal,and multiple-sealed ways ensures a high clean vacuum environment in the rotor chamber.
- Advanced processing ensures a good geometrical symmetry of the rotors, as well as low noise and long service life.
- A special shaft seal is used to achieve long, stable running without oil leakage.
- The BSJ-L series is made of all-aluminum alloy, a heat sink, corrosion-resistant, and efficient, energy-saving.
- The BSJ-LC series is made of cast iron. The unique liquid coupling method enables the pump to start directly under the atmosphere, which greatly reduces the time of pumping.
- Compact structure, light weight, and small volume.
Technical Parameter :
| Model | Units | BSJ600LC |
| Pumping Rate | 50 Hz | m³h-1 / Lmin-1 | 2590/43253 |
| 60 Hz | 3110/51937 |
| Max Inlet Pressure | 50Hz | Pa | 1.0x103 |
| 60Hz | Pa | 1.0x103 |
| Max allowed differential pressure | 50Hz | Pa | 8.0*103 |
| 60Hz | Pa | 6.7*103 |
| Ultimate Vacuum | Pa/ mbar | 0.4/4×10-3 |
| Motor Power | kW(hp) | 7.5 (10) |
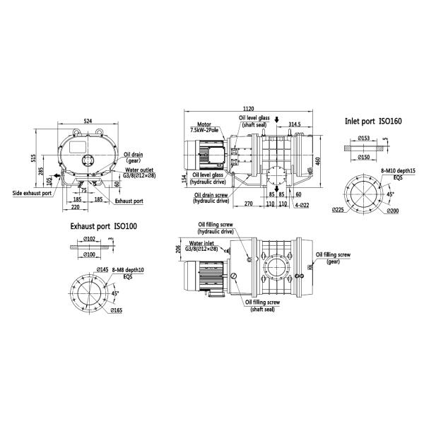
| Inlet | -- | ISO160 |
| Outlet | -- | ISO100 |
| Cooling Method | Water cooled |
| Gear cover | L | 3.5 |
| Hydraulic Drive | L | 6.5 |
| Water Temp. | ℃ | 5~35 |
| Water Flow | L/min | 6 |
| Water Pressure | MPa | 0.2~0.6 |
| Oil | -- | BSO-46 |
Note: The value of 'Ultimate Pressure' in this sheet is measured by the Pirani gauge when Baosi special pump oil is used, and the value should be 4x10-3 if the McLeod gauge is used.
The cooling water temperature of the inlet port must be 5~30℃. When the temperature is too low, please keep it in an environment that is not easy to condensation.
Performance Curve:

Dimensions:


Applications
- Semiconductor Fabrication
- LED & Display Manufacturing
- Vacuum Heat Treatment
- Physical Vapor Deposition (PVD)
- Vacuum Distillation & Drying
- Food Preservation & Processing
- Vacuum Packaging
- Scientific Research
Key Roles in Compound Vacuum Systems
- As a Booster Pump
When paired with a backing pump (e.g., a rotary vane pump or a screw pump), the roots pump acts as a "booster" to bridge the gap between the backing pump's capacity and the system's required vacuum performance. For example: - The backing pump handles the low vacuum range (high pressure), while the roots pump takes over in the medium to high vacuum range, reducing overall evacuation time.
- This combination enables systems to reach higher vacuum degrees (e.g., 10⁻³ Pa) more efficiently than single pumps.
- Energy Savings & Efficiency Enhancement
By sharing the pumping load, roots pumps reduce the workload on backing pumps, extending their lifespan and lowering energy consumption. For instance, in large vacuum chambers, a roots pump can quickly remove most gases, while the backing pump focuses on achieving the ultimate vacuum.