BAOSI VACUUM FFZ250/2000PM air-cooling Turbomolecular Vacuum Pump
FEATURES
TECHNICAL PARAMETER
| Model | FFZ250/2000PM | ||
| Inlet flange | - | CF250 | LF250 |
| Outlet flange | - | KF40 | |
| Pumping speed | L/s | 2000 | |
| Compression ratio N2/H2 | - | 1×108/6×103 | |
| Ultimate pressure | Pa | 6×10-6 | 6×10-7 |
| Rotation speed | rpm | 24000 | |
| Run-up time | min | <7 | |
| Vibration | μm | ≤0.15 | |
| Forevacuum pump speed | L/s | 15 | |
| Cooling water temperature | ≤25 | ||
| Cooling water flow | L/s | ≥1 | |
| Max Power | W | ≤750 | |
| Voltage | V | 220 | |
| Installation direction | - | Any direction | |
| Weight | kg | 42kgs | |
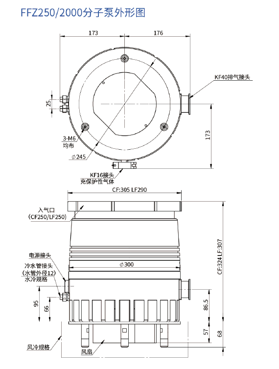
Outside Drawing


➢ Semiconductor & Microelectronics
➢ Vacuum Coating (PVD/CVD) ➢ Scientific Research & Laboratory Analysis ➢ Vacuum Heat Treatment & Metallurgy ➢ Optoelectronics & Laser Manufacturing➢ Lithium Battery & New Energy Material Processing
➢ Analytical Instrumentation