1-Piece 2000 WOG Reduce Port Ball Valve Carbon/Stainless Steel DIN259/2999
PRODUCT INTRODUCTION
1. 1-Piece 2000 WOG Reduce Port Ball Valve Introduction
e series 310 is available in a reduced port, design with NPT (threaded) connections. Pad locking devide with temperature ranges up to 400F. Working pressure up to 2000PSI WOG with optional lock kits, actuation packages, stainless steel upgrades and special seats for higher temperatures. Available in sizes: 1/4", 3/8", 1/2", 3/4" 1 1/4, 1 1/2 and 2".
2. Specification
Size Range: 1/4”- 2”
Valve Material: Carbon/Stainless Steel
End Connections: Threaded
Seat Material: Reinforced
Port Size: Reduced Port
Stem Material: Stainless Steel
3. Features
Investment cast benefits high quality casting
nti-blowout stem as standard for greater safety
Fully traceable materials
Option: oval safety handle
Service Application : Hydraulic,Chemical,Steam,Oil/Gas,Oxygen,Vacuum
Single piece body,screwed insert design eliminates the possible leak path
4. Safety/Quality Approvals
ISO 9001
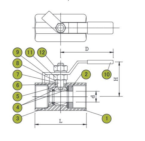
5. Ball Valve Drawing and Datasheet


Please feel free to contact with us at angela@tjfmcn.com or filling up an enquiry form instructed at the bottom.
You will get an effective response within 24 hours from TongJiang Team.
COMPANY PROFILE (Video)
floa
1. Our Factory
30 years experience of valve and pipeline industry.
10 senior technical engineers
20000 m2 production area
More than 100 employees to provide professional service.
As the reliable OEM for famous valve brand companies.
t ball valve
2. Factory Show
TongJiang Valve Technology Company was established for 30 years. There are more than 100 employees which includes 10 professional engineers.

OUR SERVICE ball valve
Reliable Quality, Competitive Price
Reply your inquiry in 2 hours with professional service.
Miss Angela
Mobile: +86 13588429004(Whatsapp)
Skype: angelazhuo1
E-mail: angela@tjfmcn.com
Tel No: +86 571 86991717
Official Website: www.zjtjvalve.com