4 - Way 4 Seats Direct Mount Full Port Ball Valve Stainless Steel Socket-Weld
PRODUCT INTRODUCTION
1. Ball Valve introduction
Features and Benefits:
Balanced 4-Seat Construction
Unlike 2-seated diverter valves, the ball valve has 4 seats (5 seats in bottom entry valves) for positive shut-off. This true multiport function can reduce the number of valves required in a process system and gives engineers greater design flexibility
Trunnion Mounted Ball (1 1/2" - 4")
Lateral forces in a 3-way valve can cause unwanted seat distortion. Stem/ball isolation prevents side loading and wear of downstream seats, improving performance and service life
High-Cycle, Live Loaded Stem Packing
Dynamic loading on stem packing ensures a tight seal through varying pressure and temperature conditions, extending service life and reducing maintenance costs
O-Ring Stem Bearing (3" and 4")
Maintains stem alignment
Reduces packing side loading and wear
Enhances stem seal
Blow-Out-Proof Stem
Stem is bottom loaded to prevent removal when valve is in service
Full Port Design
Full port construction improves flow characteristics for greater process efficiencies
Multi-Position Lever Handle
The lever handle can be positioned in 4 different orientations for greater piping flexibility
2. Operating / Test Conditions:
Temperature Range: -20° to 420° F
Maximum Working Pressure:
1000 PSI WOG (1/4" - 2")
600 PSI WOG (3" - 4")
All valves shell and seat tested to ANSI/ASME B16.34 and API 598
All materials comply with applicable ASTM material specifications
End connections: NPT to ANSI B1.20.1, BW to B16.25, SW to B16.11
3. Options:
4- or 5-way construction with multiple flow patterns
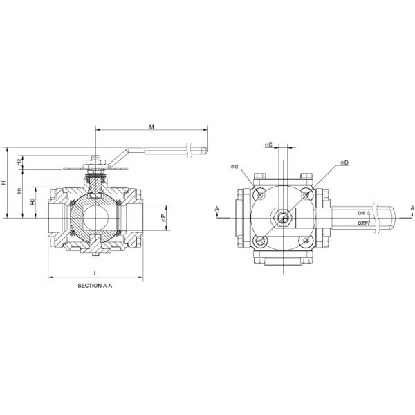
4. Ball Valve Drawing and Datasheet

DIMENSIONS (Inches)
| Size | L | P | M | H | H1 | H2 | H3 | D | d | S | ISO 5211 Pattern | Weight (lbs) |
| 1/4 - 3/8 | 3.40 | 0.43 | 5.86 | 2.33 | 1.35 | 0.48 | 0.95 | 1.97 | 0.33 | 0.35 | F05 | 3.3 |
| 1/2 | 4.06 | 0.59 | 5.86 | 2.48 | 1.51 | 0.55 | 1.10 | 1.97 | 0.33 | 0.35 | F05 | 5.1 |
| 3/4 | 4.24 | 0.79 | 6.80 | 2.92 | 1.78 | 0.61 | 1.20 | 1.97 | 0.33 | 0.43 | F05 | 6.2 |
| 1 | 4.76 | 0.98 | 7.99 | 3.48 | 2.19 | 0.69 | 1.40 | 2.76 | 0.51 | 0.43 | F07 | 8.7 |
| 1 1/4 | 5.20 | 1.26 | 7.99 | 3.95 | 2.66 | 0.88 | 1.61 | 2.76 | 0.51 | 0.55 | F07 | 11.2 |
| 1 1/2 | 5.89 | 1.57 | 10.52 | 4.40 | 3.01 | 0.88 | 1.93 | 4.02 | 0.51 | 0.55 | F10 | 19.4 |
| 2 | 7.30 | 1.97 | 12.69 | 5.13 | 3.55 | 0.93 | 2.40 | 4.02 | 0.51 | 0.67 | F10 | 24.2 |
Please feel free to contact with us at angela@tjfmcn.com or filling up an enquiry form instructed at the bottom.
You will get an effective response within 24 hours from TongJiang Team.
COMPANY PROFILE (Video)
floa
1. Our Factory
30 years experience of valve and pipeline industry.
10 senior technical engineers
20000 m2 production area
More than 100 employees to provide professional service.
As the reliable OEM for famous valve brand companies.
t ball valve
2. Factory Show
TongJiang Valve Technology Company was established for 30 years. There are more than 100 employees which includes 10 professional engineers.

OUR SERVICE ball valve
Reliable Quality, Competitive Price
Reply your inquiry in 2 hours with professional service.
Miss Angela
Mobile: +86 13588429004(Whatsapp)
Skype: angelazhuo1
E-mail: angela@tjfmcn.com
Tel No: +86 571 86991717
Official Website: www.zjtjvalve.com