Wafer butterfly valve in Semi-Disc Stem with No Pin , Cast Iron , PN 16
PRODUCT INTRODUCTION
Description
Semi-disc butterfly valve is developed besed on the wafer butterfly valve and advanced technology introduced from foreign country. In addition to the feature of the wafer butterfly valve. It has strong corrosion resistance and no-pin.This product is stitable for throtting-off and adjusting flow, and can be installed in pipeines in the industries of petroleum processing, chemicals, food medicine, textile, paper making, hydroelectricity engineering, ship building, water supply and sewage, metallurgy, energy engineering as well as light industry, etc.
Specification
| Size | DN50-DN1000 |
| Nominal Pressure | PN10/16, 150-300LB |
| Working Temperature | -30.c - 135.C |
| Suitable Media | Chemicals, air, water, steam, oil, acids, salts ect |
Standards:
| Design standard | API609, ANSI16.34, JISB2064, GB T12238 |
| Face to Face | API609, DIN3202, ISO5752, BS5155 |
| Flange drilling | DIN2501 PN10/16, ANSI 125/150/300, BS4504, JIS10K |
| Top Flange | ISO5211 |
| Test Inspection | API598 |
Material:
| Body | Cast Iron, Ductile Iron, Carbon Steel, Stainless Steel |
| Disc | Ductile Iron, Carbon Steel, Stainless Steel |
| Stem | Stainless Steel |
| Seat | EPDM, NBR, PTFE, VITON, HYPALON |
| O ring | EPDM, NBR |
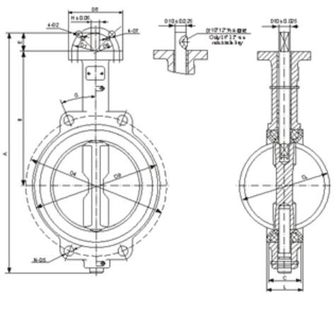
Butterfly Valve Drawing and Datasheet

| DN | A | B | C | E | L | H | α | D1 | D2 | D3 | D4 | N-D5 | D6 | D7 | D8 | D9 | D10 | |
| Nominal diameter | ||||||||||||||||||
| mm | Inch | |||||||||||||||||
| 50 | 2” | 280 | 161 | 42.04 | 32 | 45 | 9.52 | 45° | 83 | 11 | 52.6 | 120 | 4-23 | 70 | 10 | 102 | 100 | 12.6 |
| 65 | 2.5” | 303 | 175 | 44.68 | 32 | 47.6 | 9.52 | 45° | 83 | 11 | 64.3 | 136.13 | 4-26.6 | 70 | 10 | 102 | 120 | 12.6 |
| 80 | 3” | 315 | 181 | 45.21 | 32 | 49 | 9.52 | 45° | 83 | 11 | 78.8 | 152.4 | 4-24 | 70 | 10 | 102 | 127 | 12.6 |
| 22.5° | 160 | 4-18 | ||||||||||||||||
| 100 | 4” | 353 | 200 | 52.07 | 32 | 54.7 | 11.11 | 45° | 83 | 11 | 104 | 177.8 | 4-17.5 | 70 | 10 | 102 | 156 | 15.77 |
| 22.5° | 185.16 | 4-25.8 | ||||||||||||||||
| 125 | 5” | 379 | 213 | 54.36 | 32 | 58 | 12.7 | 22.5° | 83 | 11 | 123.3 | 215.01 | 4-23 | 70 | 10 | 102 | 190 | 18.92 |
| 150 | 6” | 404 | 226 | 55.75 | 32 | 58.6 | 12.7 | 22.5° | 83 | 11 | 155.7 | 238.12 | 4-25 | 70 | 10 | 102 | 212 | 18.92 |
| 200 | 8” | 487 | 260 | 60.58 | 45 | 6.4 | 15.87 | 15° | 127 | 14 | 202.4 | 296.07 | 4-23 | 102 | 12 | 152 | 268 | 22.1 |
| 22.5° | 4-26 | |||||||||||||||||
| 250 | 10” | 547 | 292 | 65.63 | 51 | 70 | 22.5° | 127 | 14 | 250.4 | 357 | 4-22 | 102 | 12 | 152 | 325 | 28.45 | |
| 15° | 4-29 | |||||||||||||||||
| 300 | 12” | 631 | 337 | 76.9 | 51 | 70 | 15° | 127 | 14 | 301.5 | 406.4 | 4-30.2 | 102 | 12 | 152 | 403 | 28.45 | |
| 431.8 | 4-25.4 | |||||||||||||||||
You will get an effective response within 24 hours from TongJiang Team.
COMPANY PROFILE (Video)
floa
1. Our Factory
30 years experience of valve and pipeline industry.
10 senior technical engineers
20000 m2 production area
More than 100 employees to provide professional service.
As the reliable OEM for famous valve brand companies.
t ball valve
2. Factory Show
TongJiang Valve Technology Company was established for 30 years. There are more than 100 employees which includes 10 professional engineers.

OUR SERVICE ball valve
Reliable Quality, Competitive Price
Reply your inquiry in 2 hours with professional service.
Miss Angela
Mobile: +86 13588429004(Whatsapp)
Skype: angelazhuo1
E-mail: angela@tjfmcn.com
Tel No: +86 571 86991717
Official Website: www.zjtjvalve.com