Butterfly Valve in Grooved End with Electric Actuator , Viton Lined , 220V AC
PRODUCT INTRODUCTION
Description
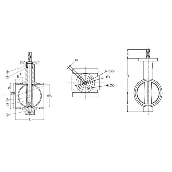
Butterfly Valve Drawing and Datasheet

| Size | O/ A | O/ B | O/ C | E | F | H | I | J | K | L | M mm | N | O/ O | ISO 5211 | Break Torque | Wt/ Lbs |
| 2” | 1.96 | 2.25 | 2.37 | 0.62 | 0.31 | 4.68 | 2.48 | 3.03 | 1.25 | 3.24 | 9 | 1.96 | 0.27 | F05 | 124 in/Lbs | 3.9 |
| 2-1/2” | 2.40 | 2.72 | 2.87 | 0.62 | 0.31 | 4.94 | 2.69 | 3.03 | 1.25 | 3.81 | 9 | 1.96 | 0.27 | F05 | 204 in/Lbs | 4.8 |
| 3” | 3.14 | 3.34 | 3.50 | 0.62 | 0.31 | 5.17 | 3.15 | 3.03 | 1.25 | 3.81 | 9 | 1.96 | 0.27 | F05 | 425 in/Lbs | 5.9 |
| 4” | 3.97 | 4.33 | 4.50 | 0.62 | 0.29 | 5.94 | 3.70 | 3.54 | 1.25 | 4.55 | 11 | 2.75 | 0.35 | F07 | 496 in/Lbs | 9.9 |
| 5” | 5.00 | 5.39 | 4.50 | 0.62 | 0.29 | 6.75 | 4.25 | 3.54 | 1.25 | 5.81 | 14 | 2.75 | 0.35 | F07 | 775 in/Lbs | 16.7 |
| 6” | 5.90 | 6.45 | 6.62 | 0.62 | 0.29 | 7.20 | 4.84 | 3.54 | 1.25 | 5.81 | 14 | 2.75 | 0.35 | F07 | 1213 in/Lbs | 21.1 |
| 8” | 7.95 | 8.44 | 8.62 | 0.74 | 0.43 | 8.08 | 5.88 | 4.92 | 1.77 | 5.25 | 17 | 4.01 | 0.47 | F10 | 2434 in/Lbs | 32.4 |
| 10” | 9.96 | 10.5 | 10.7 | 0.74 | 0.49 | 9.84 | 7.32 | 4.92 | 1.77 | 6.25 | 22 | 4.01 | 0.47 | F10 | 4205 in/Lbs | 54.4 |
| 12” | 11.9 | 12.5 | 12.7 | 0.74 | 0.49 | 10.8 | 8.38 | 4.92 | 1.77 | 6.50 | 22 | 4.01 | 0.47 | F10 | 5532 in/Lbs | 76.0 |
You will get an effective response within 24 hours from TongJiang Team.
COMPANY PROFILE (Video)
floa
1. Our Factory
30 years experience of valve and pipeline industry.
10 senior technical engineers
20000 m2 production area
More than 100 employees to provide professional service.
As the reliable OEM for famous valve brand companies.
t ball valve
2. Factory Show
TongJiang Valve Technology Company was established for 30 years. There are more than 100 employees which includes 10 professional engineers.

OUR SERVICE ball valve
Reliable Quality, Competitive Price
Reply your inquiry in 2 hours with professional service.
Miss Angela
Mobile: +86 13588429004(Whatsapp)
Skype: angelazhuo1
E-mail: angela@tjfmcn.com
Tel No: +86 571 86991717
Official Website: www.zjtjvalve.com