ASME ultrasonic Calibration Blocks Ultrasonic calibration blocks ultrasonic calibration blocks uk
ASME calibration block (non pipe)
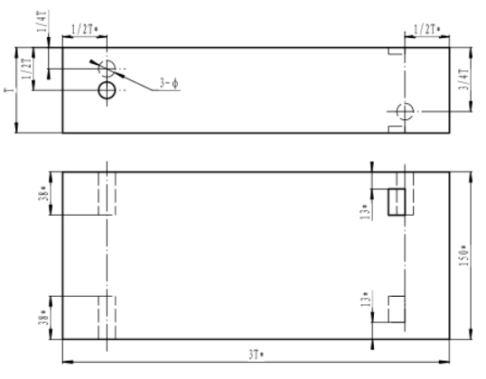
Standard: ASME BPVC-V-2015
The size and shape of ASME non-pipe weld test block are shown in the chart below, when inspected
 For inspection on materials with surface diameter greater than 500mm, test blocks with the same curvature as the workpiece or standard test blocks with a diameter equal to or less than 500mm can be used
 During the upper inspection, the curve test block, namely the tube seam test block, should be used.
1. The distance between each slot and either end of the test block or other slots is not less than T or 25mm, if larger.
 2. The minimum length L of the test block shall be 200mm or 8T, if larger.
 3. When the inner diameter is equal to or less than 100mm, the minimum radian is 270°. When the inner diameter is greater than 100mm, the minimum arc length is 200mm or 3T, and the larger is taken
 4. The depth of each tank is 11% T≥h≥ 8% T, width ≤6mm, length ≥225mm
ASME calibration block (non pipe)
Standard: ASME BPVC-V-2015
The size and shape of ASME non-pipe weld test block are shown in the chart below, when inspected
 For inspection on materials with surface diameter greater than 500mm, test blocks with the same curvature as the workpiece or standard test blocks with a diameter equal to or less than 500mm can be used
 During the upper inspection, the curve test block, namely the tube seam test block, should be used.
1. The distance between each slot and either end of the test block or other slots is not less than T or 25mm, if larger.
 2. The minimum length L of the test block shall be 200mm or 8T, if larger.
 3. When the inner diameter is equal to or less than 100mm, the minimum radian is 270°. When the inner diameter is greater than 100mm, the minimum arc length is 200mm or 3T, and the larger is taken
 4. The depth of each tank is 11% T≥h≥ 8% T, width ≤6mm, length ≥225mm
Material: carbon steel 1018, stainless steel 304/316, duplex stainless steel 2205,aluminum 7075
Hole diameter:2.5/3/5.5/6.5mm
Thickness: 19mm/38mm/75mm/125mm
Mark: OEM can be done


HUATEC Group offer all kinds ultrasonic calibration block